0
0
0

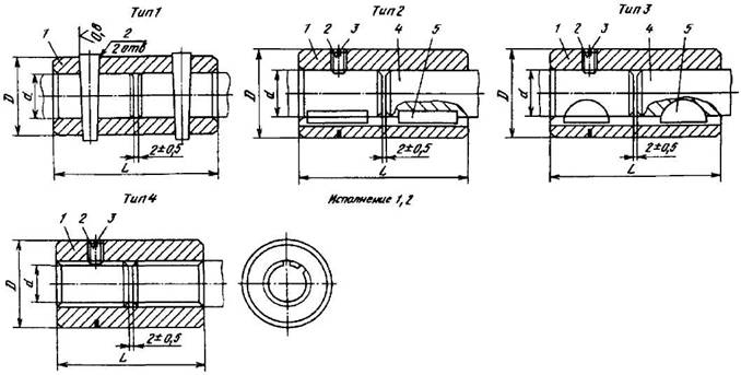
23. Муфты втулочные по ГОСТ 24246-96

Этот сайт использует файлы cookies для более комфортной работы пользователя. Продолжая просмотр страниц сайта, вы соглашаетесь с политикой использования файлов cookies. Подробнее