0 руб
Оформить заказ1. Втулочные муфты (по ГОСТ 24246-80)
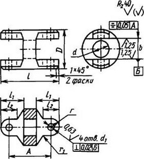
Назначение: для соединения соосных цилиндрических валов при передаче вращающего момента от 1 до 12500Н·м без смягчения динамических нагрузок и ограничения частоты вращения.
Исполнение 1 с коническими штифтами

1 — втулка; 2 — штифт по ГОСТ 3129—70
Исполнение 2 с призматическими шпонками

1 — втулка; 2 — винт по ГОСТ 1476—93; 3— кольцо по ГОСТ 2833—77; 4 — шпонка по ГОСТ 23360—78
Номинальный вращающий момент Т, Нм, для исполнения | d для исполнений | D | L для исполнений | ||||||
1 | 2 | 3 | 4 | 1,2,3 | 4 | 1,2,3 | 4 | ||
1 ряд | 2 ряд | ||||||||
1,0 | — | — | — | 6 | — | — | 10 | — | — |
2,0 | — | — | — | 7 8 | — — | — — | 14 | 30 | — |
4,0 | — | 11,2 | — | 9 | — | — | 16 | 35 | — |
10 | — | — | |||||||
8,0 | — | 22,4 | — | 11 | — | — | 18 | 40 | — |
12 | — | — | |||||||
16,0 | — | 45,0 | — | 14 | — |
| 28 | 45 | — |
16 | — | — | |||||||
31,5 | — | 63,0 | — | 18 | — | — | 32 | 55 | — |
— | 19 | — | |||||||
20 | — | — | |||||||
50,0 | 71,0 | 100,0 | 140,0 | 20 | — | 16 | 38 | 65 | 45 |
22 | — | 18 | |||||||
— | 24 | — | |||||||
90,0 | 125,0 | 180,0 | 250,0 | 25 | — | 21 | 42 | 75 | 50 |
28 | — | 23 | |||||||
125,0 | 180,0 | 250,0 | 355,0 | 28 | — | 23 | 48 | 90 | 55 |
30 | — | — | |||||||
32 | — | 26 | |||||||
200,0 | 280,0 | 400,0 | 560,0 | 32 | — | 26 | 55 | 105 | 65 |
35 | — | 28 | |||||||
36 | — | — | |||||||
— | 38 | 32 | |||||||
280,0 | 400,0 | 560,0 | 800,0 | — | 38 | 32 | 60 | 120 | 80 |
40 | — | — | |||||||
— | 42 | 36 | |||||||
400,0 | 560,0 | — | 1120,0 | — | 42 | 36 | 70 | 140 | 90 |
45 | — | — | |||||||
— | 48 | 42 | |||||||
560,0 | 800,0 | — | 1600,0 | — | 48 | 42 | 80 | 150 | 100 |
50 | — | — | |||||||
— | 53 | 46 | |||||||
800,0 | 1120,0 | — | 2240,0 | — | 53 | 46 | 90 | 170 | 110 |
55 | — | — | |||||||
— | 56 | — | |||||||
60 | — | 52 | |||||||
1120,0 | 1600,0 | — | 3150,0 | 60 | — | 52 | 100 | 180 | 120 |
63 | — | — | |||||||
— | 65 | 56 | |||||||
1600,0 | 2240,0 | — | 4500,0 | — | 65 | 56 | 110 | 200 | 130 |
70 | — | — | |||||||
71 | — | 62 | |||||||
— | 75 | — | |||||||
2240,0 | 3150,0 | — | 6300,0 | — | 75 | — | 120 | 220 | 150 |
80 | — | 72 | |||||||
— | 85 | — | |||||||
3150,0 | 4500,0 | — | 9000,0 | — | 85 | — | 130 | 240 | 170 |
90 | — | — | |||||||
— | 95 | 82 | |||||||
4500,0 | 6300,0 | — | 12500,0 | — | 95 | — | 140 | 280 | 190 |
100 | — | 92 | |||||||
— | 105 | — | |||||||
Муфты используются в климатических исполнениях У и Т, для категорий 1, 2, 3, климатических исполнений УХЛ и О, для категорий 4 по ГОСТ 15150—69.
Муфты изготовляют в четырех исполнениях:
1 - с цилиндрическим посадочным отверстием и коническими штифтами по ГОСТ 3129-70;
2 - с цилиндрическим посадочным отверстием и призматическими шпонками по ГОСТ 23360—78;
3 - с цилиндрическим посадочным отверстием и сегментными шпонками по ГОСТ 24071—80;
4 - с прямобочными шлицами по ГОСТ 1139—80.
Исполнение 3 с сегментными шпонками

1 — втулка; 2 — винт по ГОСТ 1476—93; 3 — кольцо по ГОСТ 2833—77; 4 — шпонка по ГОСТ 24071—80
Исполнение 4 с прямобочными шлицами

1 — втулка; 2 — винт по ГОСТ 1476-93; 3 — кольцо по ГОСТ 2833-77
Крепежные изделия для исполнений | Масса, кг, не более для исполнений | |||||||
1 | 2 | 3 | 2, 3, 4 | |||||
Штифт по ГОСТ 3129-70 | Шпонка по ГОСТ 23360-78 | Шпонка по ГОСТ 24071-80 | Винт по ГОСТ 1476-93 | Кольцо по ГОСТ 2833-77 | 1 | 2 | 3 | 4 |
1,6×12 2,0×16 | — | — | — | — | 0,01 | — | — | — |
0,03 | — | — | — | |||||
0,03 | — | — | — | |||||
2,5×20 | — | 3×5,0 | M4-6g×6.14H | — | 0,04 | — | 0,04 | — |
0,04 | — | 0,03 | — | |||||
3,0×20 | 3×6,5 | 0,06 | — | 0,05 | — | |||
0,05 | — | 0,04 | — | |||||
4,0×30 | — | 4×6,5 |
| 26 | 0,13 | — | 0,12 | — |
4×7,5 | 0,12 | — | 0,11 | — | ||||
5,0×36 | — | 5×6,5 | M6-6g×8.14H | 32 | 0,21 | — | 0,21 | — |
5×7,5 | 0,19 | — | 0,19 | — | ||||
0,18 | — | 0,18 | — | |||||
6,0×40 | 6×6×25 | 38 | 0,39 | 0,37 | 0,37 | 0,27 | ||
5×9,0 | 0,36 | 0,34 | 0,34 | 0,24 | ||||
8×7×25 | 6×9,0 | 0,32 | 0,28 | 0,28 | — | |||
8,0×45 | 8×7×28 | 42 | 0,48 | 0,45 | 0,45 | 0,33 | ||
| 0,42 | 0,38 | 0,38 | 0,30 | ||||
8,0×50 | 8×7×36 | 6x10,0 | 48 | 0,73 | 0,69 | 0,69 | 0,46 | |
8×11,0 | 0,66 | 0,63 | 0,63 | — | ||||
10×8×36 | 0,60 | 0,55 | 0,55 | 0,41 | ||||
10×60 | 10×8×45 | M6-6g×10.14H | 55 | 1,34 | 1,29 | 1,29 | 0,87 | |
10×13,0 | 1,22 | 1,09 | 1,09 | 0,83 | ||||
1,18 | 1,04 | 1,04 | — | |||||
1,08 | 0,96 | 0,96 | 0,72 | |||||
10,0×65 | 10×8×50 | 10×13,0 | M6-6g×10.14H | 60 | 1,66 | 1,55 | 1,55 | 1,17 |
12×8×50 | — | 1,57 | 1,50 | — | — | |||
1,48 | 1,32 | — | 1,02 | |||||
12,0×80 | 12×8×63 | M8-6g×12.14H | 70 | 2,80 | 2,65 | — | 1,88 | |
14×9×63 | 2,58 | 2,42 | — | — | ||||
2,30 | 2,18 | — | 1,60 | |||||
12,0×90 | M10-6g×16.l4H | 80 | 3,89 | 3,72 | — | 2,75 | ||
3,71 | 3,54 | — | — | |||||
16×10×63 | 3,44 | 3,25 | — | 2,41 | ||||
16,0×100 | 16×10×70 | — | М10-6g×l6.14H | 90 | 5,74 | 5,46 | — | 3,78 |
5,52 | 5,24 | — | — | |||||
5,41 | 5,12 | — | — | |||||
18×11×70 | 4,94 | 4,62 | — | 3,36 | ||||
16,0×100 | 18×11×80 | М10-6g×20.l4H | 100 | 7,32 | 7,00 | — | 4,66 | |
6,92 | 6,60 | — | — | |||||
6,64 | 6,30 | — | 4,26 | |||||
20,0×120 | 18×11×90 | 110 | 10,07 | 9,60 | — | 7,72 | ||
20×12×90 | 9,26 | 8,72 | — | — | ||||
9,10 | 8,65 | — | 6,10 | |||||
8,40 | 7,83 | — | — | |||||
20×12×100 | M12-6g×20.14H | 120 | 12,31 | 11,72 | — | — | ||
20×14×100 | 11,29 | 10,64 | — | 7,64 | ||||
9,31 | 9,97 | — | — | |||||
25,0×140 | 22×14×110 | 130 | 15,02 | 14,09 | — | — | ||
25×14×110 | 13,77 | 12,79 | — | — | ||||
25×14×125 | 12,45 | 11,43 | — | 9,80 | ||||
28×16×125 | 140 | 19,05 | 18,00 | — | — | |||
17,41 | 16,22 | — | 11,93 | |||||
16,03 | 14,45 | — | — | |||||
Примечание. 1-й ряд является предпочтительным.
Пример условного обозначения втулочной муфты в исполнении 1, передающей номинальный вращающий момент Т = 280Н·м, с диаметром посадочного отверстия d = 38мм, в климатическом исполнении У и категории 3 по ГОСТ 15150—69:
Муфта втулочная 1—280—38—У3 ГОСТ 24246-80
Материал втулок — сталь 45 по ГОСТ 1050—88. Допускается изготовлять втулки из других материалов с механическими свойствами не ниже, чем у стали марки 45 по ГОСТ 1050—88. Виды и толщина покрытий втулок в зависимости от условий хранения и эксплуатации муфт - по ГОСТ 9303-84 и ГОСТ 7462-73. Технические требования к покрытиям — по ГОСТ 9.301-86.
Штифты — по ГОСТ 3129-70, твердость — 35 .49 HRCэ. Допуски углов конусов отверстий под штифты — по 8-й степени точности ГОСТ 8908—81.
Допускается применение муфт в исполнении 1 с цилиндрическими штифтами по ГОСТ 3128—70. Размеры шпоночных пазов для втулок — по ГОСТ 23360—78 и ГОСТ 24071—80. Предельные отклонения размеров шпоночных пазов — по ГОСТ 23360—78. Допуск симметричности шпоночного паза относительно оси муфты в пределах двух полей допуска на ширину шпоночного паза.
Допуск параллельности плоскости симметрии шпоночного паза относительно оси муфты — в пределах половины поля допуска на ширину шпоночного паза. Размеры шлицевых отверстий — по ГОСТ 1139—80. Допускается изготовление шлицевых отверстий втулок с эвольвентными шлицами по ГОСТ 6033—80. Неуказанные предельные отклонения размеров: отверстий — Н14; валов h14; остальных ± IT14/2 или t2/t.
2. Размеры втулок муфт с коническими штифтами, с призматическими шпонками и с сегментными шпонками, мм
Исполнение 1

Исполнение 2,3

Номинальный вращающий момент Т, Н·м, для исполнений | d (пред. откл. по Н7) | D | L | l | с | d1 для исполнений | d + t2 | b (пред. откл. по JS9) | b1 | D1 | c1 | r | ||||
1 | 2 и 3 | |||||||||||||||
1 | 2 | 3 | ||||||||||||||
1,0 | — | — | 6 | 10 | 25 | 6 | 0,4 | 1,6 | — | — | — | — | — | — | — | |
2,0 | — | — | 7 | 14 | 30 | 2,0 | ||||||||||
— | — | 8 | ||||||||||||||
4,0 | — | 11,2 | 9 | 16 | 35 | 8 | 0,6 | 2,5 | М4-7Н | 10,4 | 3 | — | — | 0.5 | 0,1 | |
10 | 11,4 | |||||||||||||||
8.0 | — | 22.4 | 11 | 18 | 40 | 3,0 | 12,8 | 4 | ||||||||
12 | 13,8 | |||||||||||||||
16,0 | — | 45,0 | 14 | 28 | 45 | 10 | 0,6 | 4,0 | М6-7Н | 16,3 | 5 | 1,0 | 24 | 1,0 | 0,2 | |
16 | 18,3 | |||||||||||||||
31,5 | — | 63,0 | 18 | 32 | 55 | 12 | 1,0 | 5,0 | 20,8 | 6 | 28 | |||||
19 | 21,8 | |||||||||||||||
20 | 22,8 | |||||||||||||||
50,0 | 71,0 | 100,0 | 20 | 38 | 65 | 15 | 6,0 | 22,8 | 34 | |||||||
22 | 24,8 | |||||||||||||||
24 | 27,3 | 8 | ||||||||||||||
90,0 | 125,0 | 180,0 | 25 | 42 | 75 | 20 | 8,0 | 28,3 | 1,2 | 37 | ||||||
28 | 31,3 | |||||||||||||||
125,0 | 180,0 | 250,0 | 28 | 48 | 90 | 31,3 | 43 | |||||||||
30 | 33,3 | |||||||||||||||
32 | 35,3 | 10 | 1,6 | 0,6 | ||||||||||||
200,0 | 280,0 | 400,0 | 32 | 55 | 105 | 25 | 1,6 | 10 | 35,3 | 49 | ||||||
35 | 38,3 | |||||||||||||||
36 | 39,3 | |||||||||||||||
38 | 41,3 | |||||||||||||||
280,0 | 400,0 | 560,0 | 38 | 60 | 120 | 25 | 1,6 | 10 | М6-7Н | 41,3 | 10 | 1,2 | 54 | 1,6 | 0,3 | |
40 | 43,3 | 12 | ||||||||||||||
42 | 45,3 | |||||||||||||||
400,0 | 560,0 | — | 42 | 70 | 140 | 35 | 12 | М8-7Н | 45,3 | 1,6 | 64 | |||||
45 | 48,8 | 14 | ||||||||||||||
48 | 51,8 | |||||||||||||||
560,0 | 800,0 | — | 48 | 80 | 150 | М10-7Н | 51,8 | 74 | ||||||||
50 | 53,8 | |||||||||||||||
53 | 57,3 | 16 | ||||||||||||||
800,0 | 1120,0 | — | 53 | 90 | 170 | 45 | 16 | 57,3 | 84 | |||||||
55 | 59,3 | |||||||||||||||
56 | 60,3 | |||||||||||||||
60 | 64,4 | 18 | ||||||||||||||
1120,0 | 1600,0 | — | 60 | 100 | 180 | 2,5 | 64,4 | 94 | ||||||||
63 | 67,4 | |||||||||||||||
65 | 69,4 | |||||||||||||||
1600,0 | 2240,0 | — | 65 | 110 | 200 | 45 | 2,5 | 20 | М12-7Н | 69,4 | 18 | 2,0 | 103 | 1,6 | 0,5 | |
70 | 74,9 | 20 | ||||||||||||||
71 | 75,9 | |||||||||||||||
75 | 79,9 | |||||||||||||||
2240,0 | 3150,0 | — | 75 | 120 | 220 | 50 | 79,9 | 113 | ||||||||
80 | 85,4 | 22 | ||||||||||||||
85 | 90,4 | |||||||||||||||
3150,0 | 4500,0 | — | 85 | 130 | 240 | 25 | 90,4 | 123 | ||||||||
90 | 95,4 | 25 | ||||||||||||||
95 | 100,4 | |||||||||||||||
4500,0 | 6300,0 | — | 95 | 140 | 280 | 60 | 100,4 | 133 | ||||||||
100 | 106,4 | 28 | ||||||||||||||
105 | 111,4 | |||||||||||||||
3. Размеры втулок с прямобочными шляпами, мм (ГОСТ 24246—80)
Исполнение 4

Номинальный вращающий момент, Н·м | Обозначение посадочного отверстия D2 – Z×dH11×D2H7×bD9 | D | D1 | b1 | d1 | L | l | r | f | с | c1 |
140 | 6×16×20×4 6×18×22×5 | 38 | 34 | 1,0 | M6-7H | 45 | 10 | 0,2 | 0,3 | 1,0 | 1,0 |
250 | 6×21×25×5 6×23×28×6 | 42 | 37 | 1,2
| 50 | 12 | |||||
355 | 6×23×28×6 6×26×32×6 | 48 | 43 | 55 | 0,3 | 0,4 | |||||
560 | 6×26×32×6 | 55 | 49 | 65 | 15 | 1,6 | |||||
6×28×34×7 | |||||||||||
8×32×38×6 | |||||||||||
800 | 8×32×38×6 5×36×42×7 | 60 | 54 | 80 | |||||||
1120 | 8×36×42×7 8×42×48×8 | 70 | 64 | 1,6 | M8-7H | 90 | 20 | 1,6 | |||
1600 | 8×42×48×8 | 80 | 74 | М10-7Н | 10 0 | ||||||
8×46×54×9 | 0,5 | 0,5 | |||||||||
2240 | 8×46×54×9 8×52×60×10 | 90 | 84 | 1,6 | М10-7Н | 110 | 25 | 0,5 | 0,5 | 1,6 | 1,6 |
3150 | 8×52×60×10 8×56×65×10 | 100 | 94 | 120 | 30 | 2,5 | |||||
4500 | 8×56×65×10 8×62×72×12 | 110 | 103 | 2,0 | М12-7Н | 130 | |||||
6300 | 10×72×82×12 | 120 | 113 | 150 | 35 | ||||||
9000 | 10×82×92×12 | 130 | 123 | 170 | 40 | ||||||
12500 | 10×92×102×14 | 140 | 133 | 190 | 45 |
4. Фланцевые муфты (по ГОСТ 20761—96)
Назначение: для соединения соосных цилиндрических валов и передаче вращающего момента без уменьшения динамических нагрузок: стальными муфтами —от 16 до 40000Н·м при окружной скорости на наружном диаметре муфт до 70м/с; чугунными муфтами — от 8 до 20000Н·м при окружной скорости до 35м/с, климатических исполнений У и Т для категорий 1—3; климатических исполнений УХЛ и О для категорий 4 по ГOCT 15150-69.

Полумуфты изготовляют двух исполнений: 1 — с цилиндрическим отверстием для длинных концов валов по ГОСТ 12080—66;
2 — с цилиндрическим отверстием для коротких концов валов по ГОСТ 12080-66.
Значения номинального вращающего момента указаны для муфт с постоянными по величине и направлению нагрузками. Если нагрузка является переменной и может периодически достигать двукратного увеличения, значения номинального вращающего момента должны быть уменьшены в 1,4 раза.
При реверсивном вращении и переменной нагрузке значения номинального вращающего момента должны быть уменьшены в 1,96 раза.
Номинальный вращающий момент Т для муфт из стали, Н·м*1 | а*2 (отклонение по Н7) | D, не более | l, не более | L, не более | Масса, кг, не более | |||
Исполнения | Исполнения | |||||||
1 | 2 | 1 | 2 | 1 | 2 | |||
16 | 11; 12; 14 16; 18 | 80 | 30 40 | 25 28 | 63 84 | 53 60 | 1,2 | 1,1 |
31,5 | 16; 18; 19 20; 22 | 90 | 40 50 | 28 36 | 84 104 | 60 76 | 1,6 | 1,4 |
63 | 20; 22; 24 25; 28 | 100 | 50 60 | 36 42 | 104 124 | 76 83 | 2,8 | 2,5 |
125 | 25; 28 30; 32; 35; 36 | 110 | 60 80 | 42 58 | 124 170 | 83 120 | 4,5 | 4,0 |
160 | 30; 32; 35; 36; 38 | 130 | 80 | 58 | 170 | 120 | 7,5 | 59 |
250 | 32; 35; 36; 38 40; 42; 45 | 135 | 80 110 | 58 82 | 170 230 | 120 170 | 8,0 | 7,0 |
400 | 35; 36; 38 40; 42; 45; 48; 50 | 140 | 80 110 | 58 82 | 170 230 | 120 170 | 9,5 | 8,0 |
630 | 45; 48; 50; 53; 55; 56 60 | 160 | 110 140 | 82 105 | 230 290 | 170 220 | 14,5 | 12,3 |
1000 | 50; 53; 55; 56 60; 63; 65; 70; 71 | 170 | 110 140 | 82 105 | 230 290 | 170 220 | 19,0 | 16,0 |
1600 | 60; 63; 65; 70; 71;75 80; 85 | 190 | 140 170 | 105 130 | 290 350 | 220 270 | 25,3 | 20,0 |
2500 | 70; 71; 75 80; 85; 90; 95 100 | 220 | 140 170 210 | 105 130 165 | 290 350 430 | 220 270 340 | 41,0 | 34,0 |
4000 | 80; 85; 90; 95 100; 105; 110 | 240 | 170 210 | 130 165 | 350 430 | 270 340 | 58,0 | 50,5 |
6300 | 95 100; 105; 110; 120; 125 130 | 280 | 170 210 250 | 130 165 200 | 350 430 510 | 270 340 410 | 96,0 | 80,0 |
10000 | 110; 120; 125 130; 140; 150 | 320 | 210 250 | 165 200 | 430 510 | 340 410 | 121,5 | 101,0 |
16000 | 125 130; 140; 150 | 360 | 210 250 | 165 200 | 430 510 | 340 410 | 169,0 | 141,0 |
25000 | 150 | 400 | 250 | 200 | 510 | 410 | 250,5 | 191,0 |
*1 Значения номинального вращающего момента T указаны для муфт из сталей марки 40 или 35Л, для муфт, изготовляемых из чугуна марки СЧ20, значения Т вдвое меньше указанных в таблице. При применении материалов с более высокими механическими свойствами допускается увеличение значения Т до пределов, устанавливаемых расчетным методом.
*2 d = 11; 12; 14; 16; 18; 20; 22; 25; 28; 30; 32; 35; 36; 40; 45; 50; 55; 60; 63; 70; 80; 90; 100; 110; 125; 140мм являются предпочтительными величинами.
ГОСТ предусматривает также d свыше 150мм и номинальные вращающие моменты более 25000Н·м.
Масса приведена для стальных муфт. Для чугунных муфт масса должна быть не более 0,95 от указанной.
Размеры шпоночных пазов и предельные отклонения — по ГОСТ 23360-78 и ГОСТ 10748-79.
Допускается сочетание полумуфт в разных исполнениях и с различными диаметрами посадочных отверстий.
Пример условного обозначения фланцевой муфты, передающей номинальный крутящий момент Т=16Н·м с диаметром посадочного отверстия d = 12мм, полумуфты исполнения 1, из стали, климатического исполнения У, категории 3:
Муфта фланцевая 16-12-11-У3 ГОСТ 20761-96
То же, из чугуна:
Муфта фланцевая 16-12- 12-У3 ГОСТ 20761-96
То же, одна полумуфта с диаметром посадочного отверстия d = 12мм исполнения 1, другая — с диаметром d = 18мм исполнения 2, обе полумуфты из стали:
Муфта фланцевая 16-12-11-18-21-У3 ГОСТ 20761-96
5. Упругие втулочно-пальцевые муфты (по ГОСТ 21424—93)
Упругие втулочно-пальцевые муфты общего назначения применяют для соединения соосных валов при передаче вращающего момента от 6,3 до 16000Н·м и уменьшения Динамических нагрузок, климатических исполнений У и Т для категорий 1—3 и климатических исполнений УХЛ и О для категории 4 по ГОСТ 15150- 69.
Полумуфты изготовляют в следующих исполнениях:
1 — с цилиндрическими отверстиями для длинных концов валов по ГОСТ 12080—66;
2 — цилиндрическими отверстиями для коротких концов валов по ГОСТ 12080—66;
3 — с коническими отверстиями для длинных концов валов по ГОСТ 12081—72;
4 — с коническими отверстиями для коротких концов валов по ГОСТ 12081—72.
Размеры, мм

Номинальный вращающий момент Т, Н·м | d*H8 | d1*Н9 | D не более | L, не более | Lh14 | Частота вращения с-1, не более | Смещение валов, не более | Масса, кг, не более | |||||||
1-й ряд | Исполнение | ||||||||||||||
1 | 2 | 3 | 4 | 1 | 2 | 3 | 4 | радиальное | угловое | ||||||
6,3 | 9 | 71 | 43 | — | 43 | — | 20 | — | 13 | — | 147 | 0,2 | 1^(o)30' | 0,58 | |
10 11 | 49 | 43 | 49 | — | 23 | 20 | 16 | — | 0,60 | ||||||
0,59 | |||||||||||||||
16 | 12 14 | 75 | 63 | 53 | 63 | — | 30 | 25 | 20 | — | 127
| 0,70 | |||
0,68 | |||||||||||||||
16 | 83 | 59 | 83 | 59 | 40 | 28 | 30 | 18 | 0,75 | ||||||
31,5 | 16 18 | 90 | 84 | 60 | 84 | 60 | 40 | 28 | 30 | 18 | 106 | 0,3 | 1,52 | ||
1,40 | |||||||||||||||
63 | 20 22 | 100 | 104 | 76 | 104 | 76 | 50 | 36 | 38 | 24 | 95 | 2,02 2,04 | |||
125 | 25 28 | 120 | 125 | 89 | 125 | 89 | 60 | 42 | 44 | 26 | 77 | 3,97 4,13 | |||
30 (2-й ряд)
| 165 | 121 | 165 | 121 | 80 | 58 | 60 | 38 | 4,37 | ||||||
250 | 32; 36 | 140 | 165 | 121 | 165 | 121 | 80 | 58 | 60 | 38 | 63 | 0,3 | 1^(o)00' | 5,91; 6,25 | |
40; 45
| 225 | 169 | 225 | 169 | 110 | 82 | 85 | 56 | 6,63; 6,80 | ||||||
Продолжение табл. 5
Номинальный вращающий момент Т, Н·м | d*H8 | d1*Н9 | D не более | L, не более | Lh14 | Частота вращения с-1, не более | Смещение валов, не более | Масса, кг, не более | |||||||
1-й ряд
| Исполнение | ||||||||||||||
1 | 2 | 3 | 4 | 1 | 2 | 3 | 4 | радиальное | угловое | ||||||
500 | 40; 45 | 170 | 226 | 169 | 225 | 169 | 110 | 82 | 85 | 56 | 60 | 0,3 | 1^(o)00' | 11,75; 12,60 | |
710 | 45; 50; 56 | 190 | 226 | 170 | 226 | 170 | 110 | 82 | 85 | 56 | 50 | 0,4 | 14,31; 15,21; 15,22 | ||
1000 | 50; 56 | 220 | 226 | 170 | 226 | 170 | 110 | 82 | 85 | 56 | 48 | 0,4 | 18,87; 19,75 | ||
63
| 286 | 216 | 286 | 216 | 140 | 105 | 107 | 72 | 26,09 | ||||||
2000 | 63; 71 80; 90 | 250 | 288 | 218 | 288 | 218 | 140 | 105 | 107 | 72 | 38
| 31,98; 34,48 | |||
348 | 268 | 348 | 268 | 170 | 130 | 135 | 95 | 36,07; 40,03 | |||||||
4000 | 80; 90 | 320 | 350 | 270 | 350 | 270 | 170 | 130 | 135 | 95 | 30 24 | 0,5 | 0^(o)30' | 66,71; 71,61 | |
8000 | 100; 110; 125 | 400 | 432 | 342 | 432 | 342 | 210 | 165 | 170 | 125 | 132,68; 140,88; 142,98 | ||||
16000 | 125 | 500 | 435 | 345 | 435 | 345 | 19 | 0,6 | 234,61 | ||||||
140
| 515 | 415 | 515 | 415 | 250 | 200 | 205 | 155 | 264,61 | ||||||
160
| 615 | 495 | 615 | 495 | 300 | 240 | 245 | 185 | 308,11 | ||||||
ГОСТ предусматривает 2-й ряд диаметров d и d1: 19; 24; 30; 35; 38; 42; 48; 55; 60; 65; 70; 75; 85; 95; 120; 130; 150мм.
Допускается замена упругих втулок набором колец с наружным и внутренним диаметрами, равными диаметрам втулки.
Допускается предельное отклонение d no H8.
Полумуфты изготовляют из чугуна марки СЧ20. Допускается изготовлять полумуфты из Других материалов с механическими свойствами не ниже, чем у чугуна марки СЧ20.
Материал пальцев—сталь, с механическими свойствами не ниже, чем у стали марки 45 по ГОСТ 1050—88.
Размеры шпоночных пазов и предельные отклонения — по ГОСТ 23360—78 для исполнений 1; 3 и ГОСТ 10748—79 для исполнений 2, 4.
Ширина шпоночных пазов для муфт исполнений 3 и 4 — по ГОСТ 12081—72.
Допуски углов конусов отверстий (поверхность А) — 9 степени точности.
Допускаются другие виды соединений муфт с валами.
Допускается сочетание полумуфт разных исполнений с различными диаметрами посадочных отверстий в пределах одного номинального вращающего момента.
Условное обозначение муфты должно содержать наименование муфты, цифры, характеризующие номинальный вращающий момент, диаметр посадочного отверстия, исполнение полумуфт и климатическое исполнение муфты по ГОСТ 15150—69.
Пример обозначения упругой втулочно-пальцевой муфты с номинальным вращающим моментом 250Н·м, диаметром посадочного отверстия d = 40мм, исполнения полумуфт 1, климатическим исполнением У, категории 3:
Муфта 250-40-1-У3 ГОСТ 21424-93
То же, исполнения полумуфт 2:
Муфта 250-40-2-У3 ГОСТ 21424-93
То же, номинальным вращающим моментом 250Н·м, одна из полумуфт диаметром d = 32мм, исполнения 1, другая — диаметром d = 40мм, исполнения 4, климатическим исполнением Т, категории 2:
Муфта 250-32- 1-40-4-Т2 ГОСТ 21424-93
Примечание. В обозначении муфты после значения номинального вращающего момента указывают обозначение полумуфты с отверстиями для крепления пальцев.
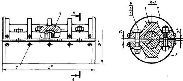
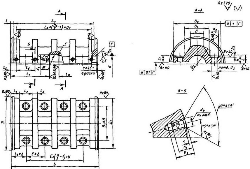
6. Продольно-свертные муфты (по ГОСТ 23106—78 в ред. 1990г.)
Назначение: для соединения цилиндрических валов при передаче вращающего момента без смягчения динамических нагрузок и компенсаций смещений, климатических условий У и Т, категорий 1,2, 3 и климатических исполнений УХЛ и О категорий 4 по ГОСТ 15150—69.
Основные параметры, конструкция и размеры муфт
Размеры, мм

1 — полумуфта; 2 — полукожух; 3 — фиксирующие полукольца; 4 — болт по ГОСТ 7796—70; гайка по ГОСТ 5916- 70; 6 - шайба по ГОСТ 6402-70; 7 - винт по ГОСТ 17473-80
*Размеры для справок
Верхний полукожух не показан.
Номинальный вращающий момент, Т, Н·м | d | D | L | s | s1 Н9 | Частота вращения, с-1, не более | Динамический момент инерции, кг·м2 | Масса, кг, не более | |
1-й ряд | 2-й ряд | ||||||||
125 | 25; 28 | - | 90 | 90 | 2 | 8 | 4,2 | 0,002 | 2,37; 2,04 |
200 | - 32 | 30 35 | 105 | 120
| 8 10 | 0,004 | 3,79 3,73; 3,70 | ||
315 | 36 40 | 35; 38 | 110 | 120 | 10 12 | 0,006 | 5,29; 5,31; 5,18 5,05 | ||
500 | 40 45 | 42 | 120 | 170 | 12 14 | 0,011 | 6,21; 5,94 5,76 | ||
800 | 50 | 48 | 140 | 3 | 14 | 0,013 | 6,76; 6,40 | ||
1250 | 55 60 | 56 63 | 150 | 16 18 | 0,020 | 9,32; 9,19 8,54; 8,28 | |||
2000 | 70 | 63 65; 71 | 170 | 220 | 18 20 | 0,045 | 13,15 12,28; 12,61; 11,51 | ||
3150 | 80 | 75 85 | 200 | 220 | 20 22 | 0,116 | 24,50 23,39; 22,20 | ||
5000 | 90 | 85 95 | 210 | 270 | 22 25 | 0,145 | 25,67 24,43; 21,30 | ||
8000 | 100 | 110 | 240 | 340 | 28 | 1,6 | 0,228 | 32,55; 29,71 | |
12500 | 125 | 120 130 | 280 | 340 | 32 | 0,646 | 66,60; 68,08 66,50 | ||
Примечание. При наличии на валах элементов, фиксирующих муфту по продольной оси, фиксирующие полукольца не применять.
Допускается применение муфт без кожуха при условии установки стационарного ограждения.
Пример обозначения продольно-свертной муфты с номинальным вращающим моментом Т = 125Н·м, диаметром посадочных отверстии в полумуфтах под валы d = 28мм, с фиксирующими полукольцами климатического исполнения У, категории 3 по ГОСТ 15150-69:
Муфта 125-28-1-У3 ГОСТ23106-78
То же, но без фиксирующих полуколец:
Муфта 125-28-2-У3 ГОСТ23106-78
Размеры канавок валов под фиксирующие полукольца, мм

*Размер для справок.
Шероховатость, указанная на чертеже, на поверхность А не распространяется
Номинальный вращающий момент, Т, Н·м | d | d1 h9 | l Н11 | l1 h11 | r | с |
125 | 25; 28 | 22 | 4 | 3 | 0,2 | 0,5 |
200 | 30; 32 | 25 | 5 | 4 | 0,4 | |
35 | 30 | |||||
315 | 35; 36 | 30 | 5 | 4 | ||
38 | 32 | 5 | 4 | |||
40 | 35 | 6 | 5 | |||
500 | 40 | 35 | 6 | 5 | ||
42; 45 | 38 | |||||
800 | 48; 50 | 40 | ||||
55; 56 | 45 | 6 | 5 | 0,6 | 1,0 | |
1250 | 60 | 50 | 8 | 6 | ||
63 | 53 | 8 | 6 | |||
63 | 53 | 8 | 6 | |||
2000 | 65 | 55 | ||||
70; 71 | 60 | |||||
75 | 65 | 8 | 6 | |||
3150 | 80 | 70 | 10 | 8 | ||
85 | 75 | 10 | 8 | |||
5000 | 85 90 95 | 75 80 85 | 10 | 8 | 0,6 | 1,0 |
8000 | 100 110 | 90 100 | 12 | 10 | 1,0 | 1,6 |
12500 | 120; 125 130 | 110 115 |
Крепежные изделия
Номинальный вращающий момент Т, Нм | Деталь 4 Болт по ГОСТ 7796—70 | Деталь 5 Гайка ГОСТ 5916—70 | Деталь 6 Шайба по ГОСТ 6402—70 | Деталь 7 Винт по ГОСТ 17473—80 |
125 | M10-6g×40.56; 4 шт. | М10-6Н.04; 4 шт. | 10 65Г; 4 шт. | A.M5-6g×12.56; 12 шт. |
200 | M12-6g×45.56; 4 шт. | М12-6Н.04; 4 шт. | 12 65Г;
| |
315 | M12-6g×50.56; 4 шт.
| 4 шт.
| ||
500 | M12-6g×60.56; 6 шт. | М12-6Н.04; 6 шт. | 12 65Г; 6 шт. | A.M5-6g×12.56; 16 шт. |
800 | Ml6-6g×65.56; 6 шт. | М16-6Н.04; 6 шт. | 16 65Г; | |
1 250 | M16-6g×70.56; 6 шт. | 6 шт. | ||
2000 3150 | M16-6g×90.56; 8 шт. | М16-6Н.04; 8 шт. | 16 65Г; 8 шт. | A.M5-6g×12.56; 20 шт. |
5000 | M20-6g×95.56; 8 шт. | М20-6Н.04; 8 шт. | 20 65Г; 8 шт. | A.M6-6g×15.56; 20 шт. |
8000 | M24-6g×105.56; 8 шт. | М24-6Н.04; 8 шт. | 24 65Г; | |
12500 | M24-6g×130.56; 8 шт. | 8 шт. |
Полумуфта, деталь 1
Размеры, мм

Номинальный вращающий момент, Т, Н·м | d H9 | d1 H13 | d2 | d3, H13 | Число отверстий n | d4 | Число отверстий n1 | D | D1 | D2 | L | L1 | l | l1 | l2 | l3 | l4 | l5 | l6 | l7 | l8 H11 | |
1-й ряд | 2-й ряд | |||||||||||||||||||||
125 | 25 | — | 32 | 20 | 10,5 | 4 | M5-7H | 6 | 90 | 87 | 55 | 90 | 84 | 3 | 11,0 | 30 | 8 | 26 | 7 | 38 | 35 | 20 |
28 | — | |||||||||||||||||||||
200 | — | 30 | 35 | 26 | 12,5 | 105 | 102 | 65 | 120 | 110 | 5 | 15,0 | 40 | 10 | 35 | 10 | 50 | 49 | 22 | |||
32 | — | 35 | ||||||||||||||||||||
— | 35 | 40 | ||||||||||||||||||||
315 | — | 35 | 40 | 110 | 107 | |||||||||||||||||
36 | — | 40 | ||||||||||||||||||||
— | 38 | 45 | ||||||||||||||||||||
40 | — | 45 | ||||||||||||||||||||
500 | 40 | — | 45 | 6 | 8 | 120 | 117 | 80 | 170 | 160 | 71 | 28 | ||||||||||
— | 42 | 50 | ||||||||||||||||||||
45 | — | 50 | ||||||||||||||||||||
800 | — | 48 | — | 30 | 17,0 | 140 | 137 | 90 | ||||||||||||||
50 | — | 55 | ||||||||||||||||||||
1250 | 55 | — | 65 | 150 | 147 | 105 | ||||||||||||||||
— | 56 | 65 | ||||||||||||||||||||
1250 | 60 | — | 70 | 30 | 17,0 | 6 | М5—7Н | 8 | 150 | 147 | 105 | 170 | 160 | 5 | 15,0 | 40 | 10 | 35 | 10 | 50 | 71 | 28 |
— | 63 | 75 | 91 | 38 | ||||||||||||||||||
2000 | — | 63 | 75 | 8 | 10 | 170 | 167 | 130 | 220 | 210 | ||||||||||||
— | 65 | 80 | ||||||||||||||||||||
70 | — | 80 | ||||||||||||||||||||
— | 71 | 85 | ||||||||||||||||||||
3150 | — | 75 | 85 | М6—7Н | 200 | 197 | 140 | |||||||||||||||
80 | — | 90 | ||||||||||||||||||||
— | 85 | 95 | ||||||||||||||||||||
5000 | — | 85 | 95 | 40 | 21,0 | 210 | 207 | 150 | 270 | 260 | 17,0 | 50 | 12 | 42 | 11 | 62 | 112 | 46 | ||||
90 | — | 100 | ||||||||||||||||||||
— | 95 | 105 | ||||||||||||||||||||
8000 | 100 | 100 | — | 110 | 25,0 | 240 | 237 | 170 | 340 | 320 | 10 | 25,5 | 61 | 15 | 56 | 18 | 76 | 143 | 54 | |||
— | — | 110 | 120 | |||||||||||||||||||
12500 | — | 120 | 130 | 42 | 280 | 277 | 200 | |||||||||||||||
125 | — | 135 | ||||||||||||||||||||
— | 130 | 140 | ||||||||||||||||||||
Продолжение табл. 6
Номинальный вращающий момент, Т, Н·м | d Н9 | r | В | B1 | B2 | В3 | Е | h | h1 | h2 | h3 | и | u1 | с | Пред. откл. × | s | s1 h9 | Масса, кг, не более | |
1-й ряд | 2-й ряд | ||||||||||||||||||
125 | 25 | — | 2 | 18 | 30 | 85 | 60 | 38 | 16 | 1,5 | 10 | 15 | 38 | 76 | 0,5 | ±0,22 | 11,5 | 8,5 | 1,01 |
28 | 13,0 | 10,0 | 0,84 | ||||||||||||||||
200 |
| 30 | 2 | 25 | 35 | 100 | 68 | 50 | 16 | 1,5 | 12 | 17 | 50 | 100 | 1,0 | 14,0 | 11,0 | 1,61 | |
32 | — | 15,0 | 11,0 | 1,57 | |||||||||||||||
— | 35 | 16,5 | 12,5 | 1,55 | |||||||||||||||
315 | — | 35 | 40 | 70 | 19 | 16,5 | 12,5 | 2,29 | |||||||||||
36 | — | 17,0 | 13,0 | 2,20 | |||||||||||||||
— | 38 | 18,0 | 14,0 | 2,15 | |||||||||||||||
40 | — | 19,0 | 14,0 | 2,07 | |||||||||||||||
500 | 40 | — | 2 | 28 | 110 | 75 | 22 | 100 | 150 | 1,5 | 19,0 | 14,0 | 2,60 | ||||||
— | 42 | 2,5 | 20,0 | 15,0 | 2,45 | ||||||||||||||
45 | — | 2,5 | 21,5 | 15,0 | 2,37 | ||||||||||||||
800 | — | 48 | 2,5 | 30 | 80 | 25 | ±0,40 | 22,5 | 17,0 | 2,99 | |||||||||
50 | — | 23,5 | 18,0 | 2,79 | |||||||||||||||
1 250 | 55 | — | 2,5 | 40 | 60 | 130 | 100 | 26,0 | 19,5 | 4,13 | |||||||||
— | 56 | 26,0 | 20,0 | 4,00 | |||||||||||||||
60 | — | 28,5 | 21,0 | 3,65 | |||||||||||||||
— | 63 | 30,0 | 22,5 | 3,48 | |||||||||||||||
2 000 | — | 63 | 2,5 | 45 | 70 | 150 | 110 | 35 | 2,0 | 150 | 200 | 2,0 | 30,0 | 22,5 | 6,00 | ||||
— | 65 | 2,5 | 31,0 | 23,5 | 5,68 | ||||||||||||||
70 | — | 3,0 | 33,5 | 25,0 | 5,50 | ||||||||||||||
— | 71 | 3,0 | 34,0 | 25,0 | 5,10 | ||||||||||||||
3 150 |
| 75 | 3,0 | 50 | 85 | 180 | 130 | 50 | 35 | 2,0 | 12 | 17 | 150 | 200 | 2,0 | ±0,40 | 36,0 | 27,5 | 11,26 |
80 | — | 38,5 | 29,0 | 10,63 | |||||||||||||||
— | 85 | 41,0 | 31,5 | 10,03 | |||||||||||||||
5 000 | — | 85 | 55 | 90 | 195 | 140 | 62 | 15 | 20 | 186 | 248 | 41,0 | 31,5 | 11,64 | |||||
90 | — | 43,5 | 32,5 | 11,03 | |||||||||||||||
— | 95 | 46,0 | 35,0 | 9,48 | |||||||||||||||
8 000 | 100 | — | 3,0 | 65 | 105 | 210 | 165 | 76 | 39 | 228 | 304 | 48,5 | 36,0 | 14,70 | |||||
— | 110 | 4,0 | 53,5 | 41,0 | 12,70 | ||||||||||||||
12 500 | — | 120 | 4,0 | 100 | 140 | 240 | 200 | 49 | 58,5 | 44,0 | 31,60 | ||||||||
125 | — | 61,0 | 46,5 | 30,69 | |||||||||||||||
— | 130 | 63,5 | 49,0 | 26,60 | |||||||||||||||
Примечание. Для муфт без фиксирующих полуколец канавку (поверхность Ж) в полумуфтах не выполнять.
Технические требования к полумуфтам. Материал—чугун СЧ 20 по ГОСТ 1412—85. Допускается изготовление из других материалов с механическими свойствами не ниже, чем у чугуна СЧ 20,
Класс точности размеров отливок — 8, степень коробления отливок — 8, класс точности массы отливок — 13 по ГОСТ 26645—85. Формовочные уклоны — по ГОСТ 3212—92. Литейные радиусы —от 3 до 7мм.
Виды покрытий полумуфт и толщина покрытий в зависимости от условий хранения и эксплуатации муфт — по ГОСТ 9.303—84 и ГОСТ 7462-73.
Технические требования к покрытиям полумуфт — по ГОСТ 9.301—86.
Неуказанные предельные отклонения размеров: отверстий Н14, валов h14, остальных ±IT15/2.
Полукожух, деталь 2
Размеры, мм

* Размер для справок.
Номинальный вращающий момент Т, Н·м | L | l | l1 | r | d | Число отверстий | s | Масса, кг, не более |
125 | 84 | 4 | 38 | 45,0 | 5,3 | 6 |
| 0,12 |
200 | 110 | 5 | 50 | 52,5 | 1,0 | 0,21 | ||
315 | 110 | 5 | 50 | 55,0 |
| 0,32 | ||
500 | 160 | 5 | 50 | 60,0 | 8 | 1,0 | 0,34 | |
800 | 70,0 | 1,5 | 0,36 | |||||
1250 | 75,0 | 1,5 | 0,53 | |||||
2000 | 210 | 85,0 | 5,3 | 10 | 1,5 | 0,61 | ||
3150 | 100,0 | 6,4 | 0,94 | |||||
5000 | 260 | 6 | 62 | 105,0 | 6,4 | 1,04 | ||
8000 | 320 | 8 | 76 | 120,0 | 1,41 | |||
12 500 | 320 | 8 | 76 | 140,0 | 1,84 |
Пример обозначения полукожуха муфты с номинальным вращающим моментом 125Н·м, климатического исполнения У, категории 3 по ГОСТ 15150—69,
Полукожух 125-У3 ГОСТ 23106-78
Технические требования к полукожухам.
Б 1,5 ГОСТ 19904-90 / 4-III Ст3кп ГОСТ 16523-89
Материал—Лист
Допускается изготовление полукожухов из других материалов с механическими свойствами не ниже, чем у стали Ст3 по ГОСТ 380-94.
Виды покрытий полукожухов и толщина покрытий в зависимости от условий эксплуатации муфт - по ГОСТ 9303—84 и ГОСТ 7462-73.
Технические требования к покрытиям полукожухов — по ГОСТ 9 301—86.
Фиксирующие полукольца, деталь 3
Размеры, мм

Номинальный вращающий момент Т, Н·м | d Н9 | d1 h13 | d2 Н9 | s, не менее | l | l1 | r | с | с1 | Масса, кг, не более |
(пред. откл. по d11) | ||||||||||
125 | 25 28 | 32 | 22 | 9 | 20 | 4 | 0,2 | 2,5 | 0,5 | 0,04 0,05 |
200 | 30 | 35 | 25 | 9 | 22 | 5 | 0.4 | 0,05 | ||
32 | 35 | 25 | 11 | 0,05 | ||||||
35 | 40 | 30 | 11 | 0,06 | ||||||
315 | 35 | 40 | 30 | 11 | 22 | 5 | 0,09 | |||
36 | 40 | 30 | 11 | 22 | 5 | 0,09 | ||||
38 | 45 | 32 | 11 | 22 | 5 | 0,08 | ||||
40 | 45 | 35 | 13 | 28 | 6 | 0,08 | ||||
500 | 40 | 45 | 35 | 13 | 28 | 6 | 3,0 | 0,14 | ||
42 | 50 | 38 | 13 | 0,17 | ||||||
45 | 50 | 38 | 15 | 0,15 | ||||||
800 | 48 50 | 55 | 40 | 15 | 0,15 0,19 | |||||
1 250 | 55 | 65 | 45 | 17 | 28 | 6 | 0,6 | 3,0 | 1,0 | 0,22 |
56 | 65 | 45 | 17 | 28 | 6 | 0,23 | ||||
60 | 70 | 50 | 19 | 38 | 8 | 0,36 | ||||
63 | 75 | 53 | 19 | 38 | 8 | 0,38 | ||||
2 000 | 63 | 71 | 53 | 19 | 38 | 8 | 3,0 | 0,38 | ||
65 | 71 | 55 | 19 | 3,0 | 0,40 | |||||
70 | 80 | 60 | 21 | 4,0 | 0,41 | |||||
71 | 80 | 60 | 21 | 4,0 | 0,44 | |||||
3 150 | 75 | 85 | 65 | 21 | 38 | 8 | 4,0 | 0,44 | ||
80 | 90 | 70 | 23 | 46 | 10 | 0,59 | ||||
85 | 95 | 75 | 23 | 46 | 10 | 0,67 | ||||
5 000 | 85 | 95 | 75 | 23 | 46 | 10 | 0,67 | |||
90 | 100 | 80 | 26 | 0,65 | ||||||
95 | 105 | 85 | 26 | 0,69 | ||||||
8 000 | 100 | 110 | 90 | 29 | 54 | 12 | 1,0 | 4,0 | 1,6 | 0,73 |
110 | 120 | 100 | 5,0 | 0,97 | ||||||
12 500 | 120 | 130 | 110 | 33 | 5,0 | 1,65 | ||||
125 | 135 | 110 | 1,65 | |||||||
130 | 140 | 115 | 2,10 | |||||||
Пример обозначения фиксирующего полукольца муфты с номинальным вращающим моментом 125Н·м, диаметром d = 28м, климатического исполнения У, категории 3 по ГОСТ 15150-69:
Фиксирующее полукольцо 125—28—У3 ГОСТ 23106—78
Технические требования фиксирующих полуколец. Материал — сталь 45. Допускается изготовление из материалов с механическими свойствами не ниже, чем у стали 45.
Виды покрытий полуколец и толщина покрытия в зависимости от условий эксплуатации муфт - по ГОСТ 9.303-84. Технические требования к покрытиям полуколец — по ГОСТ 9301—86.
Неуказанные предельные отклонения размеров ±IT15/2.
7. Упругие муфты со звездочкой (по ГОСТ 14084—93)
Назначение. Для соединения соосных цилиндрических валов при передаче вращающего момента от 2,5 до 400Н·м и уменьшения динамических нагрузок климатических исполнений У и Т, категорий 1—3 и климатических исполнений УХЛ и О категории 4 по ГОСТ 15150-69.
Муфты изготовляют двух исполнений: 1 — на длинные концы валов; 2 — на короткие концы валов по ГОСТ 12080—66.
Примечание. Допускается уменьшать длину посадочной части полумуфт в соответствии с ГОСТ 12080-66.
Размеры, мм
Для муфт с Т= 2,5 × 6,3Н·м

Для муфт Т= 16…400Н·м

Номинальный вращающий момент, Н·м | d | D | L | l | С JS17 | Частота вращения, с-1, не более | Смещение осей валов, не более | Динамический момент инерции, кг·м2·10-3 | Масса, кг | |||||
Исполнение | ||||||||||||||
1 | 2 | 1 | 2 | радиальное | угловое | Исполнение | ||||||||
1 | 2 | 1 | 2 | |||||||||||
2,5 | 6 | 32 | 45,5 |
| 16 |
| 1,5 | 92 | 0,1 | 1°30' | 0,05 | — | 0,17 | — |
7 | 0,15 | |||||||||||||
6,3
| 10 | 45 | 59,5 | 53,5 | 23 | 20 | 83 | 0,12 | 0,10 | 0,25 | 0,23 | |||
11 | 0,23 | 0,21 | ||||||||||||
12 | 73,5 | 63,5 | 30 | 25 | 0,27 | 0,25 | ||||||||
14 | 0,31 | 0,27 | ||||||||||||
16,0 | 12 14 | 53 | 81,0 | 71,0 | 30 | 25 | 3,0 | 63 | 0,2 | 1°30' | 0,35 | 0,30 | 0,59 0,57 | 0,57 0,55 |
16 | 101,0 | 77,0 | 40 | 28 | 0,65 | 0,59 | ||||||||
18 | 0,63 | 0,55 | ||||||||||||
25,0 | 14 | 63 | 81,0 | 71,0 | 30 | 25 | 58 | 0,76 | 0,54 | 0,72 | 0,62 | |||
16 | 101,0 | 77,0 | 40 | 28 | 0,80 | 0,66 | ||||||||
18 | 0,78 | 0,64 | ||||||||||||
20 | 121,0 | 93,0 | 50 | 36 | 0,88 | 0,70 | ||||||||
31,5 | 16 | 71 | 101,0 | 77,0 | 40 | 28 | 50 | 0,96 | 0,76 | 1,00 | 0,72 | |||
18 | 0,98 | 0,68 | ||||||||||||
20 22 | 121,0 | 93,0 | 50 | 36 | 1,14 1,10 | 0,86 0,82 | ||||||||
63,0 | 20 | 85 | 128,0 | 100,0 | 50 | 36 | 37 | 3,0 | 2,8 | 1,31 | 1,67 | |||
22 | 1,75 | 1,65 | ||||||||||||
25 | 148,0 | 112,0 | 60 | 42 | 2,00 | 1,61 | ||||||||
28 | 1,90 | 1,51 | ||||||||||||
125,0 | 25 | 105 | 148,0 | 112,0 | 60 | 42 | 33 | 0,3 | 9,0 | 8,4 | 3,32 | 3,06 | ||
28 | 3,18 | 2,84 | ||||||||||||
32 | 188,0 | 144,0 | 80 | 58 | 3,32 | 3,16 | ||||||||
36 | 3,72 | 3,30 | ||||||||||||
250,0 | 32 36 | 135 | 191,0 | 147,0 | 80 | 58 | 3,0 | 30 | 0,4 | 1°00' | 14,4 | 12,8 | 7,05 7,06 | 6,50 6,56 |
40 45 | 251,0 | 195,0 | 110 | 82 | 7,60 8,49 | 6,88 7,90 | ||||||||
400,0 | 38 | 166 | 196,0 | 152,0 | 80 | 58 | 25 | 38,6 | 37,8 | 11,34 | 10,82 | |||
40 45 | 256,0 | 200,0 | 110 | 82 | 12,04 12,12 | 11,46 11,00 | ||||||||
При применении звездочек, изготовленных из резин марок с пределом прочности при разрыве [σр] выше значения 10МПа, допускаемая частота вращения муфт увеличивается в
раз.
ГОСТ предусматривает также нерекомендуемый ряд величин.
Пример обозначения упругой муфты со звездочкой с номинальным вращающим моментом Т = 125Н·м, диаметром посадочных отверстий в полумуфтах под валы d = 32мм, с полумуфтами исполнения 1, климатического исполнения У, категории 3:
Муфта 125-32-1-У3 ГОСТ 14084-93
То же, с полумуфтами исполнения 2:
Муфта 125—32-2-У3 ГОСТ 14084-93
То же, с полумуфтами: одна—исполнения 1, другая—исполнения 2:
Муфта 125-32-1-2-У3 ГОСТ 14084-93
То же, с полумуфтами: одна диаметром d = 32мм, исполнения 1, другая диаметром d = 25мм, исполнения 2, климатического исполнения У, категории 3:
Муфта 125-32-1-25-2-У3 ГОСТ 14084-93
Конструкция и размеры полумуфт
Размеры, мм
Полумуфты для муфт с Т = 2,5…6,3Н·м

Полумуфты для муфт с Т = 16…400Н·м

Вращающий момент Т, Н·м | d Н7 | d+l1 | b | d1 | D | l | l1 | l2 | l3 | B+0,1 | В1 | r | Масса, кг | ||||
Исполнение | Исполнение | Исполнение | |||||||||||||||
1 | 2 | 1 | 2 | 1 | 2 | 1 | 2 | ||||||||||
2,5 | 6 | 7,0 | — | 2 | 20 | 32 | 16 | — | 28 | — | — | — | 4 | 16 | 0,1 | 0,08 | — |
7 | 8,0 | — | 0,07 | ||||||||||||||
6,3 | 10 | 11,4 | 3 | 22 | 45 | 23 | 20 | 35 | 32 | 5 | 20 | 0,1 | 0,12 | 0,11 | |||
11 | 12,8 | 4 | 22 | 23 | 20 | 35 | 32 | 0,1 | 0,11 | 0,10 | |||||||
12 | 13,8 | 4 | 24 | 30 | 25 | 42 | 37 | 0,1 | 0,13 | 0,12 | |||||||
14 | 16,3 | 5 | 26 | 30 | 25 | 42 | 37 | 0.2 | 0.15 | 0,13 | |||||||
16 | 12 | 13,8 | — | 4 | 26 | 53 | 30 | 25 | 48 | 43 | 28 | 15 | 5 | 14 | 0,1 | 0,28 | 0,27 |
14 | 16,3 | — | 5 | 26 | 30 | 25 | 48 | 43 | 0,2 | 0,27 | 0,26 | ||||||
16 | 18,3 | — | 5 | 28 | 40 | 28 | 58 | 46 | 0,2 | 0,31 | 0,28 | ||||||
18 | 20,8 | — | 6 | 28 | 40 | 28 | 58 | 46 | 0,2 | 0,30 | 0,26 | ||||||
25 | 14 | 16,3 | — | 5 | 28 | 63 | 30 | 25 | 48 | 43 | 6 | 16 | 0,2 | 0,34 | 0,29 | ||
16 | 18,3 | — | 5 | 28 | 40 | 28 | 58 | 46 | 0,38 | 0,31 | |||||||
18 | 20,8 | — | 6 | 28 | 40 | 28 | 58 | 46 | 0,37 | 0,30 | |||||||
20 | 22,8 | — | 6 | 30 | 50 | 36 | 68 | 54 | 0,42 | 0,33 | |||||||
31,5 | 16 | 18,3 | — | 5 | 30 | 71 | 40 | 28 | 58 | 46 | 0,48 | 0,34 | |||||
18 | 20,8 | — | 6 | 30 | 40 | 28 | 58 | 46 | 0,47 | 0,32 | |||||||
20 | 22,8 | — | 6 | 34 | 50 | 36 | 68 | 54 | 0,55 | 0,41 | |||||||
22 | 24,8 | — | 6 | 34 | 50 | 36 | 68 | 54 | 0,53 | 0,39 | |||||||
63 | 20 | 22,8 | — | 6 | 36 | 85 | 50 | 36 | 75 | 61 | 40 | 22 | 7 | 21 | 0,86 | 0,79 | |
22 | 24,8 | — | 6 | 36 | 50 | 36 | 75 | 61 | 0,83 | 0,78 | |||||||
25 | 28,3 | — | 8 | 42 | 60 | 42 | 85 | 67 | 0,95 | 0,76 | |||||||
28 | 31,3 | — | 8 | 42 | 60 | 42 | 85 | 67 | 0,90 | 0,71 | |||||||
125 | 25 | 28,3 | — | 8 | 45 | 105 | 60 | 42 | 85 | 67 | 40 | 22 | 8 | 25 | 0,2 | 1,59 | 1,46 |
28 | 31,3 | — | 8 | 45 | 60 | 42 | 85 | 67 | 0,2 | 1,52 | 1,35 | ||||||
32 | 35,3 | 35,8 | 10 | 48 | 80 | 58 | 105 | 83 | 0,3 | 1,59 | 1,51 | ||||||
36 | 39,3 | 39,8 | 10 | 55 | 80 | 58 | 105 | 83 | 0,3 | 1,79 | 1,58 | ||||||
250 | 32 | 35,3 | 35,8 | 10 | 55 | 135 | 80 | 58 | 108 | 86 | 48 | 25 | 9 | 32 | 0,3 | 3,39 | 3,12 |
36 | 39,3 | 39,8 | 10 | 60 | 80 | 58 | 108 | 86 | 3,40 | 3,15 | |||||||
40 | 43,3 | 44,4 | 12 | 60 | 110 | 82 | 138 | 110 | 3,66 | 3,30 | |||||||
45 | 48,8 | 49,9 | 14 | 70 | 110 | 82 | 138 | 110 | 4,11 | 3,82 | |||||||
400 | 38 | 41,3 | 41,8 | 10 | 63 | 166 | 80 | 58 | 113 | 91 | 56 | 30 | 10 | 38 | 5,43 | 5,17 | |
40 | 43,3 | 44,4 | 12 | 63 | 110 | 82 | 143 | 115 | 5,78 | 5,49 | |||||||
45 | 48,8 | 49,9 | 14 | 70 | 110 | 82 | 143 | 115 | 5,82 | 5,26 | |||||||
Допускается изготовлять полумуфты методом горячего штампования без обработки по несопрягаемым поверхностям со штамповочными yклонами и допусками по ГОСТ 7505-89.
Пример обозначения полумуфты муфты с вращающим моментом 125Н·м, диаметром d = 32мм, исполнения 1, климатического исполнения У, категории 3:
Полумуфта 125-32-1-У3 ГОСТ 14084-93
То же, исполнения 2:
Полумуфта 125-32-2- У3 ГОСТ 14084-93
Конструкция в размеры звездочек
Размеры, мм
Звездочки для муфт с Т = 2,5…6,3Н·м

Звездочки для муфт с Т= 16…400Н·м

Вращающий момент Т, Н·м | D | d | B+0,2 | Н | r | Масса, кг | Вращающий момент Т, Н·м | D | d | B+0,2 | Н | r | Масса, кг |
2,5 | 30 | - | 8,5 | - | 1,25 | 0,009 | 63 | 80 | 36 | 14,5 | 22 | 2 | 0,090 |
6,3 | 42 | - | 10,5 | - | 1,6 | 0,012 | 125 | 100 | 45 | 16,5 | 22 | 2 | 0,135 |
16 | 50 | 26 | 10,5 | 15 | 1,6 | 0,032 | 250 | 130 | 56 | 18,5 | 25 | 3 | 0,264 |
25 | 60 | 30 | 12,5 | 15 | 1,6 | 0,040 | 400 | 160 | 67 | 20,5 | 30 | 3 | 0,485 |
31,5 | 67 | 30 | 12,5 | 15 | 1,6 | 0,043 |
| ||||||
Пример обозначения звездочки муфты с номинальным вращающим моментом Т= 125Н·м климатического исполнения У3:
Звездочка 125-У3 ГОСТ 14084-93
Технические требования. Материал полумуфт — сталь 35. Допускается изготовлять полумуфты из других материалов с механическими свойствами не ниже, чем у стали 35.
Виды покрытий полумуфт и толщина покрытия в зависимости от условий эксплуатации муфт — по ГОСТ 9.306—85. Технические требования к покрытиям полумуфт — по ГОСТ 9.301—86.
Размеры шпоночных пазов для полумуфт — по ГОСТ 23360-78.
Допуск симметричности шпоночного паза относительно оси полумуфты—в пределах двух полей допусков на ширину шпоночного паза. Допуск параллельности плоскости симметрии шпоночного паза относительно оси полумуфты—в пределах половины поля допуска на ширину шпоночного паза.
Допускается сочетание полумуфт исполнении 1 и 2 с различными диаметрами d в пределах одного номинального вращающего момента.
При соединении муфтами валов, не имеющих заплечиков, необходимо применять стопорение полумуфт с помощью винтов по ГОСТ 1476—93 и колец по ГОСТ 2833-77.
Радиальное биение поверхности Б полумуфт относительно оси отверстия d — не более 0,1мм.
По соглашению между изготовителем и потребителем допускаются отклонения размера d полумуфт по Н8.
Неуказанные предельные отклонения размеров полумуфт: отверстий — по Н14, валов — по h14, остальных — ±IT14/2.
Звездочки должны изготовляться из резин, соответствующих условиям работы муфты, со следующими физико-механическими свойствами:
Предел прочности при разрыве, МПа, не менее 10.
Относительное удлинение при разрыве по ГОСТ 270—75,%, не менее 300.
Относительное остаточное удлинение по ГОСТ 270—75,%, не более 30.
Твердость по ГОСТ 263—75, усл. ед., в пределах 50—65.
Общие технические требования на звездочки для муфт, предназначенных для эксплуатации в условиях тропического климата— по ГОСТ 15152—69.
8. Упругие муфты с торообразной оболочкой (по ГОСТ 20884—93)
Назначение: для соединения валов с целью передачи вращающего момента от 20 до 40000Н·м, уменьшения динамических нагрузок и компенсации смещений валов, климатических исполнений У и Т для категорий 1—3, 5 климатических исполнений УХЛ и О для категории 4 по ГОСТ 15150—69.
Основные параметры, габаритные и присоединительные размеры
Размеры, мм
Тип 1, исполнение 1

Тип 1, исполнение 2

Номинальный вращающий момент Т, Н·м | d* Н7 | d1* Н9 | D не более | L, не более | l, не более | Максимальный Т, при кратковременной перегрузке Н·м, не мене | Допускаемая частота вращения, с-1 | Угол закручивания при номинальном Т, не менее | Допускаемое смещение полумуфт | ||||
исполнение | осевое | радиальное | угловое | ||||||||||
1 | 2 | 1 | 1 | ||||||||||
20 | 14 16; 18; 19 | 100 | 105 110 | 95 | 28 30 | 20 | 63 | 50 | 5^(o)30' | 1,0 | 1,0 | 1^(o)00' | |
40 | 18; 19 20; 22; 24 25 | 125 | 115 130 140 | 100 120 130 | 30 38 44 | 20 26 28 | 125 | ||||||
80 | 22; 24 | 160 | 140 | 130 | 38 | 26 | 250 | 50 | 5°30' | 2,0 | 1,6 | ||
25; 28 | 150 | 140 | 44 | 28 | |||||||||
30 | 185 | 170 | 60 | 40 | |||||||||
125 | 25; 28 | 180 | 155 | 145 | 44 | 28 | 400 | 41 | |||||
30; 32; | 190 | 175 | 60 | 40 | |||||||||
35; 36 | |||||||||||||
200 | 30; 32; | 200 | 200 | 185 | 60 | 40 | 630 | 5°30' | 2,5 | 2,0 | |||
35; 36; 38 | |||||||||||||
40 | 250 | 235 | 84 | 60 | |||||||||
250 | 32; 35; | 220 | 205 | 185 | 60 | 40 | 800 | 33 | 5°30' | 3,0 | 2,5 | ||
36; 38 | |||||||||||||
40; 42; 45 | 255 | 240 | 84 | 60 | |||||||||
315 | 35; 36; 38 | 250 | 215 | 195 | 60 | 40 | 1000 | ||||||
40; 42; | 270 | 250 | 84 | 60 | |||||||||
45; 48 | |||||||||||||
500 | 40; 42; | 280 | 270 | 250 | 84 | 60 | 1600 |
| 5^(o)30' | 3,6 | 3,0 | ||
45; 48; 50; 53; | |||||||||||||
55; 56 | |||||||||||||
800 | 48; 50; | 320 | 280 | 270 | 84 | 60 | 2500 | 26 | |||||
53; 55; 56 | |||||||||||||
60; 63 | 330 | 310 | 108 | 75 | |||||||||
1250 | 55; 56 | 360 | 280 | 230 | 84 | 60 | 3150 | 4°30' | 4,0 | 3,6 | |||
60; 63; 65; 70; | |||||||||||||
71; 75 | 330 | 260 | 108 | 75 | |||||||||
2000 | 63; 65; | 400 | 350 | 270 | 108 | 75 | 5000 | 4°30' | 4,5 | 4,0 | |||
70; 71; 75 | |||||||||||||
80; 85; 90 | 400 | 320 | 132 | 96 | |||||||||
3150 | 75 | 450 | 355 | 285 | 108 | 75 | 8000 | 26 | 4^(o)30' | 4,5 | 4,0 | ||
80; 85; | 405 | 325 | 132 | 96 | |||||||||
90; 95 |
|
|
|
| |||||||||
100 | 475 | 385 | 168 | 126 | |||||||||
5000 | 90; 95; | 500 | 415 | 335 | 132 | 96 | 12 500 | 21 | 4°30' | 5,0 | 4,0 | 1^(o)30' | |
100; 105; | |||||||||||||
110 | |||||||||||||
120; 125 | 490 | 400 | 168 | 126 | |||||||||
8000 | 100; 105; | 560 | 495 | 400 | 168 | 126 | 20000 | 18 | 3°30' | 5,6 | 5,0 | ||
110; 120; | |||||||||||||
125 | |||||||||||||
130; 140 | 570 | 465 | 204 | 158 | |||||||||
12500 | 110; 120; | 630 | 525 | 420 | 168 | 126 | 25000 | 17 | 3°30' | 6,0 | 5,0 | ||
125 | |||||||||||||
130; 140; | 585 | 480 | 204 | 158 | |||||||||
150 | |||||||||||||
16000 | 120; 125 | 710 | 510 | 430 | 168 | 126 | 31500 | 15 | 3^(o)30' | 6,7 | 5,0 | ||
130; 140; | |||||||||||||
150 | 590 | 490 | 204 | 158 | |||||||||
20000 | 140; 150 | 800 | 600 | 500 | 204 | 158 | 40000 | 13 | 2^(o)30' | 7,5 | 5,0 | ||
*d и d1 = 14; 16; 18; 20; 22; 25; 28; 30; 32; 35; 36; 40; 45; 50; 55; 60; 63; 70; 80; 90; 100; 110; 125; 140мм являются предпочтительными величинами.
ГОСТ предусматривает также dw dx свыше 150 мм и номинальные вращающие моменты более 20000Н·м.
Допускаются предельные отклонения размера d по H8. Стандарт предусматривает упругие муфты двух типов:
1 - с оболочкой выпуклого профиля;
2 - с оболочкой вогнутого профиля. В табл. 8 приведены размеры муфт типа 1.
Полумуфты каждого типа изготовляют в двух исполнениях:
1 - с цилиндрическими отверстиями для коротких концов валов по ГОСТ 12080—66;
2 - с коническими отверстиями для коротких концов валов по ГОСТ 12081—72.
Допускается изготовлять полумуфты для длинных концов валов по ГОСТ 12080—66 и ГОСТ 12081—72, а также применять другие виды соединений полумуфт с валами.
Размеры шпоночных пазов — по ГОСТ 23360—78 и ГОСТ 10748—79.
Допуски углов конусов отверстий — 9-й степени точности ГОСТ 8908—81.
Допускается соединение полумуфт разных исполнений с различными диаметрами посадочных отверстий, если эти полумуфты предназначены для передачи одного и того же номинального вращающего момента.
Допускается посадочное отверстие в одной из полумуфг уменьшать до значения, установленного в таблице для других номинальных вращающих моментов.
Пример условного обозначения упругой муфты с номинальным вращающим моментом Т = 250Н·м, типа 1, диаметром отверстия полумуфт d = 40мм, с полумуфтами исполнения 1, климатического исполнения У, категории 2:
Муфта 250-1-40-1-У2 ГОСТ 20884-93
То же, диаметром отверстия одной полумуфты d = 40мм, исполнения 1, другой полумуфты d = 36мм, исполнения 2:
Муфта 250-1-40-1-36- 2-У2 ГОСТ 20884-93
9 .Кулачково-дисковые муфты (по ГОСТ 20720—93)
Назначение: соединение валов при передаче вращающего момента от 16 до 16000Н·м с максимальной частотой вращения 4 с-1 для моментов до 6300Н·м и 1,6 с-1 для моментов свыше 6300Н·м при угловом смещении осей валов до 30' без уменьшения динамических нагрузок, климатических исполнении У и Т для категорий 1-3, климатических исполнений УХЛ и О для категории 4 по ГОСТ 15150—69.
Размеры, мм
Исполнения 1 и 2

Исполнения 3 и 4

1,2 - полумуфты; 3 - диск; 4 - кожух
Полумуфты изготовляют следующих исполнений:
1 — с цилиндрическими отверстиями для длинных концов валов по ГОСТ 12080—66;
2 — с цилиндрическими отверстиями для коротких концов валов по ГОСТ 12080—66;
3 — с коническими отверстиями для длинных концов валов по ГОСТ 12081—72.
4 — с коническими отверстиями для коротких концов валов по ГОСТ 12081—72.
Допускаются другие виды соединения полумуфт с валами с обеспечением гарантированного натяжения.
Номинальный вращающий момент Т, Н·м | d Н7 | d1 Н9 | d Н7 | d1 Н9 | D, не более | L, не более | l | l1 | Радиальное смещение осей валов, не более | Масса, кг, не более для исполнений |
| |||||||||||||||||||||||||||||
для исполнений |
| |||||||||||||||||||||||||||||||||||||||
Ряд 1 | Ряд 2 | 1,3 | 2,4 | 1 | 2 | 3 | 4 | 1, 3 | 2, 4 |
| ||||||||||||||||||||||||||||||
16 | 16; 18 | — | 100 | — | 75 | — | 28 | — | 18 24 | 0,6 | — | 1,4 |
| |||||||||||||||||||||||||||
31,5 | 16 | — | 0,7 | — | 1,6 |
| ||||||||||||||||||||||||||||||||||
18 | — | — | 1,5 |
| ||||||||||||||||||||||||||||||||||||
— | 19 |
| ||||||||||||||||||||||||||||||||||||||
20 | — | — | 90 | — | 36 | — |
| |||||||||||||||||||||||||||||||||
22 | — | — | 1,4 |
| ||||||||||||||||||||||||||||||||||||
63 | 20; 22 | — | 0,8 | — | 1,3 |
| ||||||||||||||||||||||||||||||||||
— | 24 | — | 1,2 |
| ||||||||||||||||||||||||||||||||||||
25 | — | — | 105 | — | 42 | — | 26 | — | 1,3 |
| ||||||||||||||||||||||||||||||
28 | — |
| 1,2 |
| ||||||||||||||||||||||||||||||||||||
125 | 25 | — | 140 | 1,0 | — | 6,3 |
| |||||||||||||||||||||||||||||||||
28 | — | — | 6,2 |
| ||||||||||||||||||||||||||||||||||||
30; 32 | — | 185 | 140 | 80 | 58 | 60 | 38
| 7,4 | 7,2 |
| ||||||||||||||||||||||||||||||
35; 36 | — | 7,2 | 7,0 |
| ||||||||||||||||||||||||||||||||||||
250 | 32; 35; 36 | — | 170 | 185 | 140 | 80 | 58 | 60 | 38 | 1,2 | 11,0 | 10,0 |
| |||||||||||||||||||||||||||
— | 38 | 10,0 | 9,0 |
| ||||||||||||||||||||||||||||||||||||
40 | 42 | 245 | 190 | 110 | 82 | 84 | 56
| 11,0 | 10,0 |
| ||||||||||||||||||||||||||||||
45 | — | 10,0 | 9,0 |
| ||||||||||||||||||||||||||||||||||||
400 | — | 38 | 185 | 140 | 80 | 58 | 60 | 38 | 1,6 | 11,0 | 10,0 |
| ||||||||||||||||||||||||||||
40 | 42 | 245 | 190 | 110 | 82 | 84 | 56 |
| ||||||||||||||||||||||||||||||||
45; 50 | 48 53 |
| ||||||||||||||||||||||||||||||||||||||
10,0 | 9,0 |
| ||||||||||||||||||||||||||||||||||||||
630 | 45; 50 | 48 | 210 | 245 | 190 | 110 | 82 | 84 | 56 | 2,0 | 31,0 | 27,0 |
| |||||||||||||||||||||||||||
630 | — | 53 | 210 | 245 | 190 | 110 | 82 | 84 | 56 | 2,0 | 31,0 | 27,0 | ||||||||||||||||||||||||||||
55 | 56 | 29,0 | 26,0 | |||||||||||||||||||||||||||||||||||||
60; 63 | — | 305 | 235 | 140 | 105 | 107 | 72 | 31,0 | 28,0 | |||||||||||||||||||||||||||||||
1000 | 50 | — | 245 | 190 | 110 | 82 | 84 | 56 | 2,2 | 31,0 | 26,0 | |||||||||||||||||||||||||||||
— | 53 | 30,0 | 25,0 | |||||||||||||||||||||||||||||||||||||
55 | 56 | 29,0 | 26,0 | |||||||||||||||||||||||||||||||||||||
60 | — | 305 | 235 | 140 | 105 | 107 | 72 | 31,0 | 28,0 | |||||||||||||||||||||||||||||||
63 | 65 | 30,0 | 27,0 | |||||||||||||||||||||||||||||||||||||
70; 71 | — | 29,0 | 26,0 | |||||||||||||||||||||||||||||||||||||
1600 | 60 | — | 250 | 2,5 | 49,0 | 45,0 | ||||||||||||||||||||||||||||||||||
63 | — | 48,0 | 44,0 | |||||||||||||||||||||||||||||||||||||
— | 65 | 48,0 | 44,0 | |||||||||||||||||||||||||||||||||||||
70; 71 | — | 47,0 | 43,0 | |||||||||||||||||||||||||||||||||||||
— | 75 | 40,0 | 36,0 | |||||||||||||||||||||||||||||||||||||
80 | — | 360 | 280 | 170 | 130 | 132 | 92 | 42,0 41,0 | 38,0 35,0 | |||||||||||||||||||||||||||||||
— | 85 | |||||||||||||||||||||||||||||||||||||||
2500 | 70; 71 | — | 290 | 305 | 235 | 140 | 105 | 107 | 72 | 3,0 | 53,0 | 46,0 | ||||||||||||||||||||||||||||
— | 75 | 52,0 | 45,0 | |||||||||||||||||||||||||||||||||||||
80 | — | 360 | 280 | 170 | 130 | 132 | 92 | 56,0 | 48,0 | |||||||||||||||||||||||||||||||
— | 85 | 55,0 | 47,0 | |||||||||||||||||||||||||||||||||||||
90 | — | 53,0 | 48,0 | |||||||||||||||||||||||||||||||||||||
— | 95 | 51,0 | 44,0 | |||||||||||||||||||||||||||||||||||||
100 | — | 440 | 350 | 210 | 165 | 167 | 122 | 55,0 | 48,0 | |||||||||||||||||||||||||||||||
4000 | 80 | — | 310 | 360 | 280 | 170 | 130 | 132 | 92 | 3,5 | 56,0 | 48,0 | ||||||||||||||||||||||||||||
— | 85 | 55,0 | 47,0 | |||||||||||||||||||||||||||||||||||||
4000 | 90 | — | 310 | 360 | 280 | 170 | 130 | 132 | 92 | 3,5 | 53,0 | 48,0 |
| |||||||||||||||||||||||||||
— | 95 | 51,0 | 44,0 |
| ||||||||||||||||||||||||||||||||||||
100 | — | 440 | 350 | 210 | 165 | 167 | 122 | 55,0 | 48,0 |
| ||||||||||||||||||||||||||||||
— | 105 | 53,0 | 46,0 |
| ||||||||||||||||||||||||||||||||||||
110 | — | 52,0 | 45,0 |
| ||||||||||||||||||||||||||||||||||||
6300 | 100 | — | 350
| 4,0 | 125 | 108 |
| |||||||||||||||||||||||||||||||||
— | 105 | 123 | 106 |
| ||||||||||||||||||||||||||||||||||||
110 | — | 121 | 104 |
| ||||||||||||||||||||||||||||||||||||
— | 120 | 115 | 99,0 |
| ||||||||||||||||||||||||||||||||||||
125 | — | 112 | 97,0 |
| ||||||||||||||||||||||||||||||||||||
— | 130 | 550 | 450 | 250 | 200 | 202 | 152 | 122 | 105 |
| ||||||||||||||||||||||||||||||
140 | — | 114 | 99,0 |
| ||||||||||||||||||||||||||||||||||||
10000 | 110 | — | 440 | 350 | 210 | 165 | 167 | 122 | 4.5 | 122 | 104 |
| ||||||||||||||||||||||||||||
— | 120 | 115 | 99,0 |
| ||||||||||||||||||||||||||||||||||||
125 | — | 112 | 97,0 |
| ||||||||||||||||||||||||||||||||||||
— | 130 | 550 | 450 | 250 | 200 | 202 | 152 | 122 | 105 |
| ||||||||||||||||||||||||||||||
140 | — | 114 | 99,0 |
| ||||||||||||||||||||||||||||||||||||
16000 | 125 | — | 390 | 440 | 350 | 210 | 165 | 167 | 122 | 5,0 | 203 | 148 |
| |||||||||||||||||||||||||||
— | 130
| 550 | 450 | 250 | 200 | 202 | 152 | 200 | 145 |
| ||||||||||||||||||||||||||||||
140 | — | 205 | 184 |
| ||||||||||||||||||||||||||||||||||||
— | 150 | 198 | 179 |
| ||||||||||||||||||||||||||||||||||||
| ||||||||||||||||||||||||||||||||||||||||
Обозначение муфт содержит наименование муфты и цифры, характеризующие номинальный вращающий момент, диаметр отверстия полумуфты и исполнение.
Пример условного обозначения кулачково-дисковой муфты с номинальным вращающим моментом Т = 250Н·м, диаметром посадочного отверстия полумуфт d = 32мм, с полумуфтами исполнения 1, климатического исполнения У, категории 3:
Муфта 250—32—1—У3 ГОСТ 20720—93
То же, но при исполнении одной полумуфты 1, другой — 3:
Муфта 250—32—1—3—У3 ГОСТ 20720—93
То же, но с диаметром посадочного отверстия одной полумуфты D = 32мм, исполнения 1, другой полумуфты с диаметром d = 40мм, исполнения 2:
Муфта 250—32—1—40—2—У3 ГОСТ 20720—93
Технические требования. Допускается применять сочетание полумуфт разных типов и исполнений с посадочными отверстиями различных диаметров в пределах одного номинального вращающего момента, а в технически обоснованных случаях — различных номинальных вращающих моментов.
Значения номинального вращающего момента указаны для муфт постоянными по значению и направлению нагрузками, полумуфты которых изготовляют из сталей марки 45 по ГОСТ 1050—88 или марки 45Л по ГОСТ 977—88 твердостью рабочих поверхностей пазов 40—45HRCэ, а диски — из стали марки 40Х по ГОСТ 4543—71 с твердостью рабочих поверхностей выступов 45-50HRCэ.
При использовании других материалов, при переменных нагрузках и при частотах вращения, отличающихся от указанных, значения вращающего момента, передаваемого муфтой, определяются расчетным путем.
Размеры шпоночных пазов и предельные отклонения — по ГОСТ 23360—78 и ГОСТ 10748—79.
Ширина шпоночных пазов для полумуфт исполнений 3 и 4 — по ГОСТ 12081—81. Допуски углов конусов отверстий — по 9-й степени точности ГОСТ 8908—81.
10. Муфты с промежуточной призматической деталью
Назначение: для присоединения электродвигателя к механизму и присоединения отдельных валов внутри механизма. Рекомендуется применять при отсутствии резко ударной нагрузки и при напряжении кручения валов до Т = 25МПа.
Муфта допускает параллельное смещение валов при сборке до 0,2мм, при работе до 0,01d × 0,25мм и угловое смещение до 40'.
Передаваемый вращающий момент муфт

d, мм | L, мм | Вращающий момент, Н·м |
25-28 | 124 | 80-110 |
30-32-35 | 149 | 130-160-210 |
40-45 | 184 | 320-450 |
50-55 | 224 | 500-665 |
60-65 | 254 | 865-1100 |
70-75 | 274 | 1370-1690 |
80-85 | 304 | 2040-2450 |
90-95 | 344 | 2910-3430 |
Полумуфты и призматическая деталь
Размеры, мм

Материал — сталь Ст3 для полумуфт с d × 45мм; чугун СЧ10 для полумуфт с d > 45мм; текстолит поделочный для призматической детали.
Допускаемое предельное отклонение для размера В: в полумуфте по H12, в призматической по h12.
Продолжение табл. 10
d Н7 | D-0,1 | В | D1 | l | l1 | l2 | N | C1 | C2 | |
25-28 | 100 | 60 | 60 | 50 | 72 | 42 | 55 | — | — | |
30-32-35 | 120 | 70 | 75 | 60 | 87 | 50 | 65 | — | — | |
40-45 | 150 | 80 | 90 | 75 | 107 | 60 | 75 | 15 | 20 | |
50-55 | 180 | 100 | 110 | 90 | 132 | 80 | 90 | 15 | 25 | |
60-65 | 220 | 120 | 130 | 100 | 152 | 100 | 110 | 20 | 30 | |
70-75 | 250 | 140 | 150 | 110 | 162 | 100 | 130 | 15 | 12 | |
80-85 | 290 | 160 | 170 | 120 | 182 | 120 | 150 | 15 | 12 | |
90-95 | 330 | 180 | 190 | 140 | 202 | 120 | 170 | 15 | 12 | |
d Н7 | d1 | d2 | d3 | d4 | d5 | S | E | F | ||
25-28 | — | М8 | М8 | 14 | 4 | 20 | 40 | 15 | ||
30-32-35 | — | М10 | М10 | 16 | 4 | 25 | 45 | 20 | ||
40-45 | 16 | М12 | М12 | 18" | 4 | 30 | 50 | 25 | ||
50-55 | 16 | М12 | М12 | 20 | 4 | 40 | 55 | 30 | ||
60-65 | 20 | М16 | М16 | 25 | 6 | 50 | 60 | 35 | ||
70-75 | 35 | Труб 1/4" | М16 | 30 | 6 | 50 | 70 | 40 | ||
80-85 | 35 | Труб 1/4" | М20 | 35 | 6 | 60 | 80 | 45 | ||
90-95 | 35 | Труб 1/4" | М20 | 40 | 6 | 60 | 90 | 50 | ||
11. Шарнирные муфты (по ГОСТ 5147—80)
Шарнирные муфты предназначены для соединения цилиндрических валов, которые устанавливают под углом до 45^(o) при передаче вращающего момента от 11,2 до 1120Н·м без смягчения динамических нагрузок, в климатических исполнениях У и Т для категорий 1, 2, 3, климатических исполнениях УХЛ и О для категорий 4 по ГОСТ 15150—69.
Муфты изготовляют двух типов: одинарные и сдвоенные с промежуточной спаренной вилкой.
Полумуфты для каждого типа муфт следует изготовлять в двух исполнениях: на длинные и короткие концы валов.
Допускается сочетание полумуфт в разных исполнениях с различными диаметрами посадочных отверстий d в пределах одного номинального вращающего момента.
Допускается посадочное отверстие d и одной из полумуфт уменьшать до значения, установленного в таблице для других номинальных вращающих моментов.
Допуски углов конусов отверстий под штифты — по 8-й степени точности ГОСТ 8908-81.
Размеры, мм
Тип 1. Муфта одинарная

Тип 2. Муфта сдвоенная

1 — полумуфта; 2 — крестовина; 3 — палец; 4 — втулка; 5 — спаренная вилка; 6 — штифт по ГОСТ 10774-80; 7 — штифт по ГОСТ 3129—70
Номинальный вращающий момент T, Н·м | d для рядов | D | L для типов | l для исполнений | А (справочный) | Динамический момент инерции, кг·м2·10-6 | Масса, кг, не более, для типов | ||||||||||||
1 | 2 | для типов | 1 | 2 | |||||||||||||||
и исполнений | 1 | 2 | |||||||||||||||||
1 | 2 | 1 | 2 | 1 | 2 | 1 | 2 | и исполнений | и исполнений | ||||||||||
1 | 2 | 1 | 2 | 1 | 2 | 1 | 2 | ||||||||||||
11,2 | 8 | — | 16 | 56 | — | 76 | — | 20 | — | 20 | 0,223 | — | 0,32 | — | 0,057 | — | 0,080 | — | |
9 | — | 0,051 | — | 0,074 | — | ||||||||||||||
10 | — | 62 | 56 | 82 | 76 | 23 | 20 | 0,198 | 0,29 | 0,053 | 0,047 | 0,076 | 0,070 | ||||||
22,4 | 10 | — | 20 | 66 | 60 | 92 | 86 | 26 | 0,630 | 0,560 | 0,92 | 0,87 | 0,100 | 0,092 | 0,147 | 0,139 | |||
11 | — | 0,094 | 0,080 | 0,141 | 0,127 | ||||||||||||||
12 | — | 80 | 70 | 106 | 96 | 30 | 25 | 0,102 | 0,096 | 0,149 | 0,148 | ||||||||
45,0 | 12 | — | 25 | 86 | 76 | 118 | 108 | 30 | 25 | 32 | 1,440 | 1,290 | 2,09 | 1,94 | 0,170 | 0,152 | 0,242 | 0,224 | |
14 | — | 0,150 | 0,135 | 0,222 | 0,207 | ||||||||||||||
71,0 | 16 | — | 32 | 112 | 88 | 150 | 126 | 40 | 28 | 38 | 5,900 | 4,840 | 8,53 | 7,46 | 0,390 | 0,321 | 0,558 | 0,489 | |
18 | — | 0,367 | 0,299 | 0,535 | 0,467 | ||||||||||||||
140,0 | — | 19 | 40 | 140 | 112 | 188 | 160 | 48 | 16,300 | 12,900 | 24,00 | 20,60 | 0,653 | 0.480 | 0,973 | 0,800 | |||
20 | — | 50 | 36 | 0,720 | 0,590 | 1,040 | 0,910 | ||||||||||||
22 | — | 0,667 | 0,550 | 0,987 | 0,870 | ||||||||||||||
280,0 | — | 24 | 50 | 148 | 120 | 206 | 178 | 50 | 36 | 58 | 45,600 | 36,600 | 68,80 | 59,60 | 1,170 | 0,960 | 1,780 | 1,570 | |
25 | — | 168 | 132 | 326 | 190 | 60 | 42 | 1,280 | 1,080 | 1,890 | 1,640 | ||||||||
28 | — | 1,160 | 0,900 | 1,770 | 1,510 | ||||||||||||||
560,0 | 30 | — | 60 | 222 | 178 | 292 | 248 | 80 | 58 | 70 | 148,000 | 117,000 | 207,000 | 176,70 | 2,830 | 2,310 | 3,900 | 3,380 | |
32 | — | 2,710 | 2,210 | 3,780 | 3,280 | ||||||||||||||
35 | — | 2,510 | 1,870 | 3,580 | 2,940 | ||||||||||||||
1120,0 | — | 38 | 75 | 236 | 192 | 328 | 284 | 92 | 396,000 | 338,000 | 585,000 | 525,000 | 4,310 | 3,630 | 6,530 | 5,850 | |||
40 | — | 296 | 240 | 388 | 332 | 110 | 82 | 5,030 | 4,410 | 7,250 | 6,630 | ||||||||
— | 42 | 4,810 | 4,050 | 7,030 | 6,270 | ||||||||||||||
Примечания:
1. 1-й ряд является предпочтительным.
2. При смещениях валов допустимый вращающий момент для муфт составит ТD = T cosa, где TD — табличное значение момента; a — угол перекоса между осями соединяемых муфтой валов.
Пример условного обозначения шарнирной муфты, передающей номинальный вращающий момент 140Н·м, типа 1 с диаметром посадочного отверстия полумуфт d = 20мм для исполнения полумуфт 1, в климатическом исполнении У и категории 3 по ГОСТ 15150—69:
Муфта шарнирная 140—1—20—1—У3 ГОСТ 5147—80
То же, для передачи номинального вращающего момента 140Н·м, типа 2, одна из полумуфт которой диаметром d = 19мм в исполнении 1, другая диаметром d = 22мм в исполнении 2, в климатическом исполнении Т и категории 2 по ГОСТ 15150—69:
Муфта шарнирная 140— 2—19—1—22— 2—Т2 ГОСТ 5147-80
Полумуфта
Размеры, мм

Номинальный вращающий момент Т, Н·м | d H7 для рядов | d1 | d2 | d3 F8 | D | b H7 | l | l1 | l2 | l3 | l4 | r | r1 | с | Масса, кг, не более | ||||||
для исполнений | для исполнений | для исполнений | |||||||||||||||||||
1 | 2 | 1 | 2 | 1 | 2 | 1 | 2 | 1 | 2 | 1 | 2 | ||||||||||
11,2 | 8 | — | 15 | 3 | 4 | 16 | 10 | 20 | — | 32 | — | 8 | 15 | — | 12 | — | 4 | 0,6 | 0,6 | 0,025 | — |
9 | — | 0,022 | — | ||||||||||||||||||
10 | — | 23 | 20 | 35 | 32 | 10 | 18 | 15 | 15 | 12 | 0,023 | 0,020 | |||||||||
22,4 | 10 | — | 18 | 4 | 5 | 20 | 12 | 38 | 35 | 18 | 15 | 11 | 14 | 5 | 1,0 | 0,044 | 0,04 | ||||
11 | — | 0,041 | 0,037 | ||||||||||||||||||
12 | — | 30 | 25 | 45 | 40 | 12 | 25 | 20 | 21 | 16 | 0,045 | 0,042 | |||||||||
45,0 | 12 | — | 21 | 5 | 6 | 25 | 14 | 49 | 44 | 22 | 17 | 18 | 13 | 6 | 1,0 | 0,079 | 0,07 | ||||
14 | — | 0,069 | 0,061 | ||||||||||||||||||
71,0 | 16 | — | 28 | 6 | 7 | 32 | 18 | 40 | 28 | 63 | 51 | 14 | 30 | 18 | 25 | 12 | 7 | 1,6 | 0,178 | 0,139 | |
18 | — | 0,162 | 0,128 | ||||||||||||||||||
Продолжение табл. 11
140,0 | — | 19 | 34 | 8 | 8 | 40 | 22 | 40 | 28 | 68 | 56 | 16 | 28 | 16 | 22 | 10 | 8 | 2,0 | 1,6 | 0,286 | 0,227 |
20 | — | 50 | 36 | 78 | 64 | 38 | 24 | 32 | 18 | 0,323 | 0,258 | ||||||||||
22 | — | 0,297 | 0,239 | ||||||||||||||||||
280,0 | — | 24 | 42 | 10 | 10 | 50 | 28 | 84 | 70 | 19 | 34 | 20 | 26 | 12 | 10 | 2,5 | 0,506 | 0,403 | |||
25 | — | 60 | 42 | 94 | 76 | 44 | 26 | 36 | 10 | 0,561 | 0,435 | ||||||||||
28 | — | 0,502 | 0,393 | ||||||||||||||||||
560,0 | 30 | — | 53 | 12 | 13 | 60 | 34 | 80 | 58 | 124 | 102 | 28 | 64 | 42 | 50 | 28 | 13 | 3,0 | 1,26 | 1,00 | |
32 | — | 1,20 | 0,95 | ||||||||||||||||||
35 | — | 1,10 | 0,88 | ||||||||||||||||||
1120,0 | — | 38 | 63 | 16 | 16 | 75 | 42 | 134 | 112 | 35 | 60 | 38 | 45 | 23 | 16 | 1,86 | 1,52 | ||||
40 | — | 110 | 82 | 164 | 136 | 90 | 62 | 75 | 46 | 2,22 | 1,91 | ||||||||||
— | 42 | 2,11 | 1,73 |
Пример условного обозначения полумуфты в исполнении 1 для муфты, передающей номинальный вращающий момент 140Н·м, диаметром d = 20мм, в климатическом исполнении У и категории 3 по ГОСТ 15150—69:
Полумуфта 140-20, 1-У3 ГОСТ 5147-80
Крестовина
Размеры, мм

Номинальный вращающий момент Т, Н·м | b h6 | l h11 | d h7 | с | Масса, кг, не более |
11,2 | 10 | 8 | 4 | 1 | 0,004 |
22,4 | 12 | 10 | 5 | 0,007 | |
45,0 | 14 | 12 | 6 | 0,012 | |
71,0 | 18 | 15 | 7 | 0,027 | |
140,0 | 22 | 19 | 8 | 3 | 0,054 |
280,0 | 28 | 24 | 10 | 0,108 | |
560,0 | 34 | 30 | 13 | 0,202 | |
1120,0 | 42 | 38 | 16 | 0,380 |
Пример условного обозначения крестовины для муфты, передающей номинальный вращающий момент 140Н·м, в климатическом исполнении У и категории 3 по ГОСТ 15150-69:
Крестовина 140-У3 ГОСТ 5147-80
Палец
Размеры, мм

Номинальный вращающий момент Т, Н·м | d k6 | d1 Н12 | l | l1 | b h11 | с | Масса, кг, не более |
11,2 | 4 | 2,0 | 16 | 4 | 2 | 0.6 | 0,0014 |
22,4 | 5 | 2,5 | 20 | 5 | 3 | 0,0028 | |
45,0 | 6 | 3,5 | 25 | 6 | 4 | 0,005 | |
71,0 | 7 | 3,5 | 32 | 7 | 5 | 0,009 | |
140,0 | 8 | 4,5 | 40 | 8 | 6 | 1,0 | 0,014 |
280,0 | 10 | 5,5 | 50 | 10 | 7 | 0,028 | |
560,0 | 13 | 6 | 60 | 13 | 9 | 0,059 | |
1120,0 | 16 | 7 | 75 | 16 | 10 | 0,113 |
Пример условного обозначения пальца для муфты, передающей вращающий момент 140Н·м, в климатическом исполнении У и категории 3 по ГОСТ 15150—69:
Палец 140-У3 ГОСТ 5147-80
Втулка
Размеры, мм

Номинальный вращающий момент Т, Н·м | d k6 | d1 h11 | l | Масса, кг, не более |
П,2 | 4 | 2 | 7,0 | 0,0005 |
22,4 | 5 | 2 | 8,5 | 0,001 |
45,0 | 6 | 3 | 10,5 | 0,0016 |
710 | 7 | 4 | 13,5 | 0,0032 |
140,0 | 8 | 5 | 17 | 0,005 |
280,0 | 10 | 6 | 21,5 | 0,01 |
560,0 | 13 | 8 | 25,5 | 0,022 |
1120,0 | 16 | 10 | 32,5 | 0,043 |
Пример условного обозначения втулки для муфты, передающей номинальный вращающий момент 140Н·м, в климатическом исполнении У и категории 3 по ГОСТ 15150-69:
Втулка 14&-У3 ГОСТ 5147-80
Вилка спаренная
Размеры, мм

Номинальный вращающий момент Т, Н·м | d | D | l | А | b Н7 | d F8 | l1 | l2 | r | r1 | Масса, кг, не более |
11,2 | 8 | 16 | 28 | 20 | 10 | 4 | 12 | 8 | 4 | 0,5 | 0,016 |
22,4 | 10 | 20 | 36 | 26 | 12 | 5 | 15 | 10 | 5 | 1,0 | 0,035 |
45,0 | 12 | 25 | 44 | 32 | 14 | 6 | 19 | 12 | 6 | 1,0 | 0,06 |
71 | 16 | 32 | 52 | 38 | 18 | 7 | 23 | 14 | 7 | 1,6 | 0,125 |
140,0 | 20 | 40 | 64 | 48 | 22 | 8 | 28 | 16 | 8 | 2,0 | 0,239 |
280,0 | 25 | 50 | 78 | 58 | 28 | 10 | 34 | 19 | 10 | 2,5 | 0,456 |
560,0 | 32 | 60 | 96 | 70 | 34 | 13 | 44 | 28 | 13 | 3,0 | 0,767 |
1120,0 | 40 | 75 | 124 | 92 | 42 | 16 | 54 | 34 | 16 | 3,0 | 1,63 |
Пример условного обозначения спаренной вилки для муфты, передающей номинальный вращающий момент 140Н·м, в климатическом исполнении У и категории 3 по ГОСТ 15150-69:
Вилка спаренная 140-У3 ГОСТ 5147—80
Технические требования на детали шарнирных муфт. Полумуфта и вилка спаренная. Материал—сталь 20Х по ГОСТ 4543—71. Допускается изготовление из других материалов с механическими свойствами не ниже, чем у стали 20Х после термообработки.
Виды и толщина покрытий в зависимости от условий хранения и эксплуатации муфт — по ГОСТ 9.306—85, ГОСТ 7462—73. Технические требования к покрытиям — по ГОСТ 9.301—86.
Отклонение от соосности отверстий диаметром d1 (вилка) и d3 (полумуфта) — не более 0,02мм.
Неуказанные предельные отклонения размеров: отверстий H14, валов h14, остальных ±IТ14/2.
Крестовина, палец, втулка. Материал - сталь 40Х по ГОСТ 4543-71. Допускается изготовление из других материалов с механическими свойствами не ниже, чем у стали 40Х после термообработки. Твердость 49 ... 53 HRCэ.
Виды и толщина покрытий в зависимости от условий хранения и эксплуатация муфт - по ГОСТ 9.306-85. Технические требования к покрытиям — по ГОСТ 9.301-86.
12. Цепные муфты (по ГОСТ 20742—93)
Назначение: для соединения соосных валов при передаче вращающего момента от 63 до 1600Н·м без уменьшения динамических нагрузок, климатических исполнений У и Т для категорий 1—3, климатических исполнений УХЛ и О для категорий 4 по ГОСТ 15150—69. Муфты изготовляют двух типов: тип 1 — с однорядной цепью, тип 2 — с двухрядной цепью. Полумуфты изготовляют следующих исполнений:
1 — с цилиндрическим отверстием для коротких концов валов по ГОСТ 12080—66;
2 — с коническим отверстием для коротких концов валов по ГОСТ 12081—72;
3 — с отверстием на валы с эвольвентными шлицами по ГОСТ 6033—80;
4 — с отверстием на валы с прямобочными шлицами по ГОСТ 1139—80.
Допускается изготовлять полумуфты для длинных концов валов по ГОСТ 12080—66 и ГОСТ 12081—72. Допускаются другие виды соединения полумуфт с валами.
Основные параметры, габаритные и присоединительные размеры цепных муфт

Муфты с однорядной цепью
Размеры, мм
Номинальный вращающий момент, Н·м | d H7 | d1 H9 | d H7 | d1 H9 | D, не более | L, не более | L, h14 | Радиальное смещение осей валов, не более | Частота вращения с-1, не более | Обозначение цепи по ГОСТ 13568-75 | Число звеньев цепи (число зубьев полумуфты) | h | Масса, кг, не более, для исполнения | |||||
для исполнений | 1,2 | 1,3 | ||||||||||||||||
Ряд 1 | Ряд 2 | 1 | 2 | 3,4 | 1 | 2 | 3,4 | |||||||||||
63 | 20;22 | 24 | 110 | 102 | 80 | 74 | 36 | 25 | 36 | 0,16 | 25 | ПР- 19,05-3180 | 12 | 1,3 | 2,2 | 2,0 | ||
25;28 | — | 122 | 92 | 86 | 42 | 27 | 42 | 2,5
| ||||||||||
125 | 25 | — | 125 | 0,20 | 22 | ПР- 25,4-6000 | 10 | 1,8 | 3,0 | 2,5 | ||||||||
28 | — | 4,0 | 3,3 | |||||||||||||||
30,32; 35;36 | — | 162 | 124 | 58 | 39 | |||||||||||||
250 | 32;35 | — | 140
| 0,25 | 20 | 12 | 4,5 | 4,0 | ||||||||||
36 | — | |||||||||||||||||
— | 38 | 2,0 | ||||||||||||||||
40;45 | 42 | 222 | 172 | 118 | 82 | 57 | 58 | 5,5 | 4,5 | |||||||||
40;45 | 42 | ПР- 31,75-8900 | 1,0 | 8,0 | ||||||||||||||
500 | — | 48 | 200 | 0,32 | 18 | 14 | 2,5 | 9,5 | ||||||||||
50;55 | 53;56 | |||||||||||||||||
1000 | 50; 55 | 53 | 210 | 0,40 | 16 | ПР- 38,1- 12700 | 12 | 3,5 | 13,0 | 8,0 | ||||||||
Продолжение табл.
1000 | — | 56 | 210 | 222 | 172 | 120 | 82 | 57 | 58 | 0,40 | 16 | ПР-38,1-12700 | 12 | 3,5 | 13,0 | 8,0 |
60 | — | 284 | 220 | 168 | 105 | 73 | 82 | ПР-50,8-22700 | 18,0 | 14,0 | ||||||
63 | 65 | |||||||||||||||
70;71 | — | |||||||||||||||
2000 | 63 | 65 | 280 | 0,50 | 14 | 3,8 | 25,0 | 22,0 | ||||||||
70;71 | 75 | 27,0 | 23,0 | |||||||||||||
80;90 | 85 | 344 | 272 | 214 | 130 | 94 | 105 | 0,60 | 14 | 36,0 | 32,0 | |||||
4000 | 80 | 85 | 44,0 | 40,0 | ||||||||||||
90 | 95 | 12 | 50,0 | 45,0 | ||||||||||||
100 | 105 | |||||||||||||||
110 | — | 424 | 342 | 264 | 165 | 124 | 130 | |||||||||
8000 | 100 | 105 | 350 | 0,80 | 11 | 16 | 53,0 | 48,0 | ||||||||
110 | 120 | 65,0 | 57,0 | |||||||||||||
125 | — | |||||||||||||||
— | 130 | 504 | 408 | 334 | 200 | 154 | 165 | 83,0 | 72,0 | |||||||
140 | — |
Примечание. Ряд 1 является предпочтительным. Угловое смешение осей валов не более 1'.
Муфты с двухрядной цепью
Номинальный вращающий момент, Н·м | d Н7 | d1 Н9 | d Н7 | d1 Н9 | D не более | L, не более | L, h14 | Радиальное смещение осей валов, не более | Частота вращения с-1, не более | Обозначение цепи по ГОСТ 13568-75 | Число звеньев цепи (число зубьев полумуфты) | h | Масса, кг, не более, для исполнения | |||||
для исполнений | 1,2 | 3,4 | ||||||||||||||||
Ряд 1 | Ряд 2 | 1 | 2 | 3,4 | 1 | 2 | 3,4 | |||||||||||
63 | 20;22 | — | 75 | 108 | 86 | 80 | 36 | 25 | 36 | 0,20 | 40 | 2ПР-12,7-3180 | 12 | 7,5 | 1,5 | 1,2 | ||
— | 24 | |||||||||||||||||
25 | — | 85 | 14 | 2,0 | 1,6 | |||||||||||||
28 | — | 95 | 128 | 98 | 92 | 42 | 27 | 16 | 2,7 | 2,2 | ||||||||
125 | 25;28 | — | 0,25 | 36 | ||||||||||||||
30 | — | |||||||||||||||||
32;35 | — | 105 | 170 | 132 | 94 | 58 | 39 | 42 | 2ПР-15,875-4540 | 14 | 9,5 | 3,5 | 3,0 | |||||
36 | — | |||||||||||||||||
250 | 32;35 | — | 115 | 0,32 | 32 | 16 | 4,0 | 3,5 | ||||||||||
36 | — | |||||||||||||||||
40 | 38 | 5,0 | 4,0 | |||||||||||||||
45 | 42 | 125 | 230 | 180 | 126 | 82 | 57 | 58 | 18 | |||||||||
500 | 40 | — | 170 | 232 | 182 | 128 | 0,40 | 28 | 2ПР-19,05-6400
| 11,5 | 10,0 | 7,0 | ||||||
45 | 42 | |||||||||||||||||
50 | 48 | |||||||||||||||||
55 | 53 | 22 | 12.0 | 9.0 | ||||||||||||||
— | 56 | |||||||||||||||||
1000 | 50 | — | 190 | 0,50 | 25 | 2ПР- 25,4-11400 | 16 | 15,5
| ||||||||||
55 | 53 | |||||||||||||||||
— | 56 | |||||||||||||||||
60 | — | 296 | 232 | 180 | 105 | 73 | 82 | 18 | 18.0 | 14.0 | ||||||||
63 | 65 | |||||||||||||||||
70; 71 | — | |||||||||||||||||
2000 | 63 | 65 | 250 |
| 0,60 | 20 | 2ПР-31,75-17700 | 22 | 24.0 | 21.0 | ||||||||
70;71 | 75 | 183 | 16 | 19,0 | 26,0 | 33 | ||||||||||||
80 | 85 | 363 | 291 | 233 | 130 | 94 | 105 | 20 | 35,0 | 31,0 | ||||||||
90 | — | |||||||||||||||||
Продолжение табл. 12
4000 | 80 | 85 | 320 | 363 | 291 | 233 | 130 | 94 | 105 | 0,80 | 16 | 2ПР-38,1-25400 | 18 | 22,5 | 47,0 | 42,0 |
90 | 95 | |||||||||||||||
100 | 105 | 447 | 369 | 287 | 165 | 124 | 130 | 22 | 64,0 | 58,0 | ||||||
110 | — | |||||||||||||||
8000 | 100 | 105 | 340 | 1,00 | 14 | 2ПР-44,45-34480 | 20 | 26,3 | 63,0 | 55,0 | ||||||
110 | 120 | 54,0 | ||||||||||||||
125 | — | |||||||||||||||
140 | 130 | 530 | 434 | 360 | 200 | 154 | 165 | 2ПР-50,8-45360 | 16 | 30,0 | 81,0 | 70,0 | ||||
16000 | 125 | 130 | 440 | 1,20 | 12 | 18 | 140 | 115 | ||||||||
140 | 150 | |||||||||||||||
160 | 170 | 610 | 490 | 430 | 240 | 184 | 200 | 22 | 227 | 187 | ||||||
180 | — |
Примечание. Ряд 1 является предпочтительным.
Угловое смещение осей валов не более 1° для муфт с номинальным вращающим моментом Г до 2000 Н м; для Т= 4000 ... 16000 Нм не более 1,2°.
Обозначение посадочных отверстий муфт с прямобочными шлицами по ГОСТ 1139-80
Размеры, мм
D | Обозначение по ГОСТ 1139-80 | D | Обозначение по ГОСТ 1139-80 | ||
Z×d×D | b | Z×d×D | b | ||
20 | 6×16×20 | 4,0 | 42 | 8×36×42 | 7,0 |
22 | 6×18×22 | 5,0 | 48 | 8×42×48 | 8,0 |
25 | 6×18×25 | 5,0 | 60 | 8×52×60 | 10,0 |
28 | 6×23×28 | 6,0 | 65 | 8×56×65 | 10,0 |
32 | 6×26×32 | 6,0 | 125 | 10×112×125 | 18,0 |
38 | 8×32×38 | 6,0 |
| ||
z - число прямобочных шлицев.
Допускается применять сочетание полумуфт разных исполнений с посадочными отверстиями различных диаметров в пределах одного вращающего момента.
Значения номинального вращающего момента указаны для полумуфт с постоянными по значению и направлению нагрузками, полумуфты которых изготовляют из сталей марки 45 или марки 45Л с твердостью рабочих поверхностей зубьев полумуфт 40-45 HRCэ.
При использовании других материалов, при переменных нагрузках, а также при частотах вращения, отличающихся от приведенных в табл. 12, значения вращающего момента, передаваемого муфтой, определяются расчетом.
Размеры шпоночных пазов и предельные отклонения — по ГОСТ 23360—78 и ГОСТ 10748—79.
Ширина шпоночных пазов для полумуфт исполнения 2 — по ГОСТ 12081—72.
Размеры и предельные отклонения для отверстий с прямобочными шлицами — по ГОСТ 1139—80; с эвольвентными шлицами — по ГОСТ 6033—80.
Допуски углов конусов отверстий — по 9-й степени точности ГОСТ 8908—81.
Профиль зубьев полумуфт — по ГОСТ 591—69, точность размеров зубьев — по группе В ГОСТ 591—69.
Наружный диаметр зубчатого венца полумуфты должен быть равным по диаметру делительной окружности, увеличенному на удвоенное значение радиального смещения, указанное в табл. 12.
При номинальном вращающем моменте не более 1000Н·м и частоте вращения не более 10с-1 допускается:
применение муфт без кожуха;
изготовление размера d по H9;
точность размеров зубьев полумуфт — по группе С ГОСТ 591—69.
Пример условного обозначения цепной муфты с номинальным вращающим моментом 1000Н·м, типа 1, с диаметром посадочного отверстия полумуфт d = 56мм, с полумуфтами исполнения 1, климатического исполнения У, категории 3:
Муфта 1000—1—56—1—У3 ГОСТ 20742—93
То же, типа 2, диаметром посадочного отверстия одной полумуфты d = 56мм, исполнения 1, другой полумуфты d = 60мм, исполнения 2:
Муфта 1000—2—56—1—60—2—У3 ГОСТ 20742—93
То же, типа 1, с полумуфтами исполнения 3, с наружным диаметром шлицев d = 60мм:
Муфта 1000—1—8×52×60×108—3—У3 ГОСТ 20742—93
То же, типа 2, с диаметром посадочного отверстия одной полумуфты d = 60мм, исполнения 1, с наружным диаметром зубьев шлицев другой полумуфты d = 60мм, посадкой по диаметру центрирования Н7, модулем m = 1,5мм, исполнения 4:
Муфта 1000—2—60—1—60×Н7×1,5—4—У3 ГОСТ 20742—93