0 руб
Оформить заказ54. Рым-болты (по ГОСТ 4751-73 в ред. 1990г.)
Рым-болты предназначены для подъема, опускания или удержания на весу изделий при монтажных и такелажных работах.


Гнезда под рым-болты в изделиях из черных металлов

Для установки в одной плоскости колец двух ввинченных до упора рым-болтов допускается применение плоских шайб до 1мм - под рым-болты с резьбой М8 - М12; не более половины шага резьбы - под рым-болты с резьбой свыше М12.
Пример условного обозначения рым - болта с резьбой М8 без покрытия:
Рым-болт M8 ГОСТ4751-73.
То же с мелкой резьбой М100 × 6, с покрытием 01 (цинковое с хроматированием) толщиной 9мкм.
Рым-болт М100 × 6.019 ГОСТ 4751-73.
Размеры, мм
Условное обозначение резьбы d | d1 | d2 | d3 | d4 | b | h | h1 | l | l1, не менее | r | r1 | Масса 1 шт., кг | d5 | h2 | l 2, не менее |
М8 | 36 | 20 | 8 | 20 | 10 | 12 | 6 | 18 | 12 | 2 | 4 | 0,05 | 13 | 5 | 19 |
М10 | 45 | 25 | 10 | 25 | 12 | 16 | 8 | 21 | 15
| 0,12 | 15 | 6 | 22 | ||
М12 | 54 | 30 | 12 | 30 | 14 | 18 | 10 | 25 | 19
| 6 | 0,19 | 17
| 26 | ||
М16 | 63 | 35 | 14 | 36 | 16 | 20 | 12 | 32 | 25
| 0,31 | 22 | 7 | 33 | ||
М20 | 72 | 40 | 16 | 40 | 19 | 24 | 14 | 38 | 29 | 3 | 8 | 0,50 | 28 | 9 | 39 |
М24 | 90 | 50 | 20 | 50 | 24 | 29 | 16 | 45 | 35
| 12 | 0,87 | 32 | 10 | 47 | |
М30 | 108 | 60 | 24 | 63 | 28 | 37 | 18 | 55 | 44
| 15 | 1,58 | 38 | 11 | 57 | |
М36 | 126 | 70 | 28 | 75 | 32 | 43 | 22 | 63 | 51 | 4 | 18 | 2,43 | 45 | 12 | 65 |
М42 | 144 | 80 | 32 | 85 | 38 | 50 | 25 | 72 | 58
| 20 | 3,72 | 52 | 14 | 74 | |
М48 | 162 | 90 | 36 | 95 | 42 | 52 | 30 | 82 | 68
| 22 | 5,54 | 60
| 84 | ||
М56 | 180 | 100 | 40 | 105 | 48 | 60 | 34 | 95 | 78 | 5 | 25 | 8,09 | 68 | 17 | 97 |
М64 | 198 | по | 44 | 115 | 52 | 65 | 40 | 110 | 93
| 10,95 | 75
| 112 | |||
М72×6 | 234 | 130 | 52 | 135 | 62 | 75 | 45 | 115 | 98
| 35 | 18,54 | 85
| 117 | ||
М80×6 | 270 | 150 | 60 | 160 | 70 | 88 | 50 | 125 | 108
| 25,40 | 95
| 127 | |||
М100×6 | 324 | 180 | 72 | 190 | 85 | 105 | 60 | 150 | 133
| 40 | 43,82 | 115
| 152 |
Технические требования. Рым-болты должны быть изготовлены из стали марки 20 или 25 (подгруппа а) по ГОСТ 1050-88 штамповкой.
Допускается изготовление ковкой.
Соответствие материала предусмотренным маркам должно быть подтверждено сертификатом предприятия - изготовителя металла.
Технические требования к штампованным поковкам - по ГОСТ 7505-89, класс точности II, степень сложности С3.
55. Грузоподъемность рым-болтов
Условное обозначение резьбы | Грузоподъемность на 1 рым-болт, кг, при направлении стропов | ||
по вертикальной оси рым-болта
| под углом 45° от вертикальной оси | ||
в плоскости кольца
| с отклонением от плоскости кольца
| ||
М8 | 120 | 80 | 40 |
М10 | 200 | 125 | 65 |
М12 | 300 | 175 | 90 |
М16 | 550 | 250 | 125 |
М20 | 850 | 325 | 150 |
М24 | 1250 | 500 | 250 |
М30 | 2000 | 700 | 350 |
М36 | 3000 | 1000 | 500 |
М42 | 4000 | 1300 | 650 |
М48 | 5000 | 1650 | 800 |
М56 | 6200 | 2000 | 1000 |
М64 | 7500 | 2500 | 1250 |
М72×6 | 10000 | 3500 | 1750 |
М80×6 | 14000 | 4500 | 2250 |
М100× 6 | 20000 | 6500 | 3250 |
При подъеме груза направление стропов под углом от вертикальной оси рым-болта свыше 45° не допускается.
При изготовлении рым-болтов свободной ковкой в подкладных штампах допускается увеличивать плюсовые допуски в 2 раза.
На внутренней окружности кольца допускается лыска, получаемая после зачистки заусенцев, при условии сохранения размера в пределах допусков.
Заварка или заделка дефектов не допускается.
Рым-болты после штамповки или ковки должны быть нормализованы и очищены от окалины.
56. Твердость нормализованных рым-болтов
Марка стали | Твердость НВ рым-болтов с размером резьбы | |
от М8 до М64 | от М72 × 6 до М100 × 6 | |
20 25 | 105 - 149 134 - 187 | 95 - 121 105 - 149 |
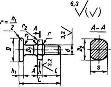
57. Грузовые винты (цапфы) (по ГОСТ 8922-69)
Предназначены для подъема, опускания и удержания на весу механических устройств
Размеры, мм

Обозначение винтов | d | L | D | D1 | D2 | S h13 | l | h | h1 | r | r1 | r2 | Допускаемая нагрузка, H | Масса, кг, не более |
7095-0021 | M12 | 50 | 32 | 12 | 25 | 22 | 22 | 6 | 5 | 2 | 4 | 2 | 1200 | 0,085 |
0022 | М16 | 65 | 40 | 16 | 30 | 24 | 28 | 8 | 6 | 2 | 6 | 2 | 2000 | 0,170 |
0023 | М20 | 80 | 45 | 20 | 36 | 27 | 32 | 10 | 8 | 3 | 8 | 2 | 3000 | 0,314 |
0024 | М24 | 95 | 55 | 25 | 45 | 36 | 38 | 10 | 10 | 3 | 8 | 3 | 4800 | 0,562 |
0025 | М30 | 110 | 65 | 30 | 55 | 41 | 45 | 12 | 10 | 3 | 10 | 4 | 7200 | 0,918 |
0026 | МЗ6 | 125 | 70 | 36 | 60 | 46 | 52 | 12 | 12 | 4 | 10 | 4 | 11000 | 1,374 |
0027 | М42 | 140 | 80 | 42 | 70 | 60 | 60 | 12 | 14 | 4 | 12 | 5 | 16500 | 2,056 |
7095-0028 | М48 | 160 | 85 | 50 | 75 | 65 | 70 | 14 | 16 | 4 | 12 | 5 | 24200 | 2,977 |
Материал - сталь марки 20 по ГОСТ 1050-88. Допускается замена на стали других марок с механическими свойствами не ниже, чем у стали марки 20. Неуказанные предельные отклонения размеров: h14, остальных ±t2/2.
Резьба метрическая - по ГОСТ 24705-81. Предельные отклонения резьбы - 6g по ГОСТ 16093-81.
Размеры недорезов и фасок для резьбы - по ГОСТ 10549-80.
Покрытие - Хим. Окc, прм по ГОСТ 9.306-85. По соглашению с потребителем допускается применение других видов защитных покрытий.
Пример условного обозначения грузового винта диаметром d = M12:
Винт 7095-0021 ГОСТ 8922-69.
Размеры гнезд под грузовые винты и остальные технические требования - по ГОСТ 4751-73 (табл. 55 и 56).
58. Грузовой болт
Размеры, мм

d | D | L | l1 | l2 | l3 | d1 | с | Грузоподъемность, кг | Длина заготовки | Масса, кг |
М12 | 25 | 68 | 30 | 28 | 40,5 | 15 | 1,5 | 500 | 185 | 0,237 |
М16 | 32 | 84 | 40 | 35 | 50,0 | 18 | 1,8 | 1000 | 240 | 0,455 |
М20 | 40 | 112 | 42 | 40 | 68,0 | 24 | 2,0 | 1500 | 300 | 1,000 |
Материал - сталь 45.
Резьба метрическая - по ГОСТ 24705-81, поле допуска 8g - по ГОСТ 16093-81. Грузовой болт испытывают на прочность нагрузкой, превышающей их номинальную грузоподъемность на 100%.
59. Муфты стяжные круглые
Размеры, мм

d | D | d1 | d2 | l | с | l1 | L |
Поле допуска Н14 | |||||||
Тип I | |||||||
M12 | 24 | 14 | 8 | 18 ± 1 | 1,0 | - | - |
M16 | 30 | 18 | 10 | 24+ 1 | 1,0 | - | - |
Тип II | |||||||
M20 | 35 | 22 | 12 | 30 ± 1 | 1,0 | 42 ± 0,6 | 100 ± 0,8 |
52 ± 0,8 | 120 ± 1,0 | ||||||
62 ± 0,8 | 140 ± 1,0 | ||||||
72 ± 0,8 | 160 + 1,0 | ||||||
M24 | 40 | 26 | 16 | 36 ± 1 | 1,5 | 60 ± 0,8 | 140 ± 1,0 |
70 ± 0,8 | 160 ± 1,0 | ||||||
80 ± 0,8 | 180 ± 1,0 | ||||||
90 + 0,8 | 200 ± 1,0 | ||||||
M30 | 50 | 32 | 20 | 45 ± 1 | 68 + 0,8 | 160 ± 1,0 | |
78 ± 0,8 | 180 ± 1,0 | ||||||
88 ± 0,8 | 200 ± 1,0 | ||||||
113 ±0,8 | 250 + 1,0 | ||||||
M36 | 60 | 38 | 20 | 55 ±2 | 2,0 | 78 ±0,8 | 180 ± 1,0 |
88 ±0.8 | 200 ± 1,0 | ||||||
113 ±0,8 | 250 ± 1,0 | ||||||
138 ± 1,0 | 300- 1,5 | ||||||
M42 | 70 | 44 | 26 | 60 ±2 | 85 ±0,8 | 200 + 1,0 | |
110 ±0,8 | 250 ± 1.0 | ||||||
135 ± 1,0 | 300+ 1,5 | ||||||
Материал - сталь 45. Допускается замена на стали других марок с механическими свойствами не ниже, чем у стали 45.
54. Рым-болты (по ГОСТ 4751-73 в ред. 1990г.)
Рым-болты предназначены для подъема, опускания или удержания на весу изделий при монтажных и такелажных работах.


Гнезда под рым-болты в изделиях из черных металлов

Для установки в одной плоскости колец двух ввинченных до упора рым-болтов допускается применение плоских шайб до 1мм - под рым-болты с резьбой М8 - М12; не более половины шага резьбы - под рым-болты с резьбой свыше М12.
Пример условного обозначения рым - болта с резьбой М8 без покрытия:
Рым-болт M8 ГОСТ4751-73.
То же с мелкой резьбой М100 × 6, с покрытием 01 (цинковое с хроматированием) толщиной 9мкм.
Рым-болт М100 × 6.019 ГОСТ 4751-73.
Размеры, мм
Условное обозначение резьбы d | d1 | d2 | d3 | d4 | b | h | h1 | l | l1, не менее | r | r1 | Масса 1 шт., кг | d5 | h2 | l 2, не менее |
М8 | 36 | 20 | 8 | 20 | 10 | 12 | 6 | 18 | 12 | 2 | 4 | 0,05 | 13 | 5 | 19 |
М10 | 45 | 25 | 10 | 25 | 12 | 16 | 8 | 21 | 15
| 0,12 | 15 | 6 | 22 | ||
М12 | 54 | 30 | 12 | 30 | 14 | 18 | 10 | 25 | 19
| 6 | 0,19 | 17
| 26 | ||
М16 | 63 | 35 | 14 | 36 | 16 | 20 | 12 | 32 | 25
| 0,31 | 22 | 7 | 33 | ||
М20 | 72 | 40 | 16 | 40 | 19 | 24 | 14 | 38 | 29 | 3 | 8 | 0,50 | 28 | 9 | 39 |
М24 | 90 | 50 | 20 | 50 | 24 | 29 | 16 | 45 | 35
| 12 | 0,87 | 32 | 10 | 47 | |
М30 | 108 | 60 | 24 | 63 | 28 | 37 | 18 | 55 | 44
| 15 | 1,58 | 38 | 11 | 57 | |
М36 | 126 | 70 | 28 | 75 | 32 | 43 | 22 | 63 | 51 | 4 | 18 | 2,43 | 45 | 12 | 65 |
М42 | 144 | 80 | 32 | 85 | 38 | 50 | 25 | 72 | 58
| 20 | 3,72 | 52 | 14 | 74 | |
М48 | 162 | 90 | 36 | 95 | 42 | 52 | 30 | 82 | 68
| 22 | 5,54 | 60
| 84 | ||
М56 | 180 | 100 | 40 | 105 | 48 | 60 | 34 | 95 | 78 | 5 | 25 | 8,09 | 68 | 17 | 97 |
М64 | 198 | по | 44 | 115 | 52 | 65 | 40 | 110 | 93
| 10,95 | 75
| 112 | |||
М72×6 | 234 | 130 | 52 | 135 | 62 | 75 | 45 | 115 | 98
| 35 | 18,54 | 85
| 117 | ||
М80×6 | 270 | 150 | 60 | 160 | 70 | 88 | 50 | 125 | 108
| 25,40 | 95
| 127 | |||
М100×6 | 324 | 180 | 72 | 190 | 85 | 105 | 60 | 150 | 133
| 40 | 43,82 | 115
| 152 |
Технические требования. Рым-болты должны быть изготовлены из стали марки 20 или 25 (подгруппа а) по ГОСТ 1050-88 штамповкой.
Допускается изготовление ковкой.
Соответствие материала предусмотренным маркам должно быть подтверждено сертификатом предприятия - изготовителя металла.
Технические требования к штампованным поковкам - по ГОСТ 7505-89, класс точности II, степень сложности С3.
55. Грузоподъемность рым-болтов
Условное обозначение резьбы | Грузоподъемность на 1 рым-болт, кг, при направлении стропов | ||
по вертикальной оси рым-болта
| под углом 45° от вертикальной оси | ||
в плоскости кольца
| с отклонением от плоскости кольца
| ||
М8 | 120 | 80 | 40 |
М10 | 200 | 125 | 65 |
М12 | 300 | 175 | 90 |
М16 | 550 | 250 | 125 |
М20 | 850 | 325 | 150 |
М24 | 1250 | 500 | 250 |
М30 | 2000 | 700 | 350 |
М36 | 3000 | 1000 | 500 |
М42 | 4000 | 1300 | 650 |
М48 | 5000 | 1650 | 800 |
М56 | 6200 | 2000 | 1000 |
М64 | 7500 | 2500 | 1250 |
М72×6 | 10000 | 3500 | 1750 |
М80×6 | 14000 | 4500 | 2250 |
М100× 6 | 20000 | 6500 | 3250 |
При подъеме груза направление стропов под углом от вертикальной оси рым-болта свыше 45° не допускается.
При изготовлении рым-болтов свободной ковкой в подкладных штампах допускается увеличивать плюсовые допуски в 2 раза.
На внутренней окружности кольца допускается лыска, получаемая после зачистки заусенцев, при условии сохранения размера в пределах допусков.
Заварка или заделка дефектов не допускается.
Рым-болты после штамповки или ковки должны быть нормализованы и очищены от окалины.
56. Твердость нормализованных рым-болтов
Марка стали | Твердость НВ рым-болтов с размером резьбы | |
от М8 до М64 | от М72 × 6 до М100 × 6 | |
20 25 | 105 - 149 134 - 187 | 95 - 121 105 - 149 |
57. Грузовые винты (цапфы) (по ГОСТ 8922-69)
Предназначены для подъема, опускания и удержания на весу механических устройств
Размеры, мм

Обозначение винтов | d | L | D | D1 | D2 | S h13 | l | h | h1 | r | r1 | r2 | Допускаемая нагрузка, H | Масса, кг, не более |
7095-0021 | M12 | 50 | 32 | 12 | 25 | 22 | 22 | 6 | 5 | 2 | 4 | 2 | 1200 | 0,085 |
0022 | М16 | 65 | 40 | 16 | 30 | 24 | 28 | 8 | 6 | 2 | 6 | 2 | 2000 | 0,170 |
0023 | М20 | 80 | 45 | 20 | 36 | 27 | 32 | 10 | 8 | 3 | 8 | 2 | 3000 | 0,314 |
0024 | М24 | 95 | 55 | 25 | 45 | 36 | 38 | 10 | 10 | 3 | 8 | 3 | 4800 | 0,562 |
0025 | М30 | 110 | 65 | 30 | 55 | 41 | 45 | 12 | 10 | 3 | 10 | 4 | 7200 | 0,918 |
0026 | МЗ6 | 125 | 70 | 36 | 60 | 46 | 52 | 12 | 12 | 4 | 10 | 4 | 11000 | 1,374 |
0027 | М42 | 140 | 80 | 42 | 70 | 60 | 60 | 12 | 14 | 4 | 12 | 5 | 16500 | 2,056 |
7095-0028 | М48 | 160 | 85 | 50 | 75 | 65 | 70 | 14 | 16 | 4 | 12 | 5 | 24200 | 2,977 |
Материал - сталь марки 20 по ГОСТ 1050-88. Допускается замена на стали других марок с механическими свойствами не ниже, чем у стали марки 20. Неуказанные предельные отклонения размеров: h14, остальных ±t2/2.
Резьба метрическая - по ГОСТ 24705-81. Предельные отклонения резьбы - 6g по ГОСТ 16093-81.
Размеры недорезов и фасок для резьбы - по ГОСТ 10549-80.
Покрытие - Хим. Окc, прм по ГОСТ 9.306-85. По соглашению с потребителем допускается применение других видов защитных покрытий.
Пример условного обозначения грузового винта диаметром d = M12:
Винт 7095-0021 ГОСТ 8922-69.
Размеры гнезд под грузовые винты и остальные технические требования - по ГОСТ 4751-73 (табл. 55 и 56).
58. Грузовой болт
Размеры, мм

d | D | L | l1 | l2 | l3 | d1 | с | Грузоподъемность, кг | Длина заготовки | Масса, кг |
М12 | 25 | 68 | 30 | 28 | 40,5 | 15 | 1,5 | 500 | 185 | 0,237 |
М16 | 32 | 84 | 40 | 35 | 50,0 | 18 | 1,8 | 1000 | 240 | 0,455 |
М20 | 40 | 112 | 42 | 40 | 68,0 | 24 | 2,0 | 1500 | 300 | 1,000 |
Материал - сталь 45.
Резьба метрическая - по ГОСТ 24705-81, поле допуска 8g - по ГОСТ 16093-81. Грузовой болт испытывают на прочность нагрузкой, превышающей их номинальную грузоподъемность на 100%.
59. Муфты стяжные круглые
Размеры, мм

d | D | d1 | d2 | l | с | l1 | L |
Поле допуска Н14 | |||||||
Тип I | |||||||
M12 | 24 | 14 | 8 | 18 ± 1 | 1,0 | - | - |
M16 | 30 | 18 | 10 | 24+ 1 | 1,0 | - | - |
Тип II | |||||||
M20 | 35 | 22 | 12 | 30 ± 1 | 1,0 | 42 ± 0,6 | 100 ± 0,8 |
52 ± 0,8 | 120 ± 1,0 | ||||||
62 ± 0,8 | 140 ± 1,0 | ||||||
72 ± 0,8 | 160 + 1,0 | ||||||
M24 | 40 | 26 | 16 | 36 ± 1 | 1,5 | 60 ± 0,8 | 140 ± 1,0 |
70 ± 0,8 | 160 ± 1,0 | ||||||
80 ± 0,8 | 180 ± 1,0 | ||||||
90 + 0,8 | 200 ± 1,0 | ||||||
M30 | 50 | 32 | 20 | 45 ± 1 | 68 + 0,8 | 160 ± 1,0 | |
78 ± 0,8 | 180 ± 1,0 | ||||||
88 ± 0,8 | 200 ± 1,0 | ||||||
113 ±0,8 | 250 + 1,0 | ||||||
M36 | 60 | 38 | 20 | 55 ±2 | 2,0 | 78 ±0,8 | 180 ± 1,0 |
88 ±0.8 | 200 ± 1,0 | ||||||
113 ±0,8 | 250 ± 1,0 | ||||||
138 ± 1,0 | 300- 1,5 | ||||||
M42 | 70 | 44 | 26 | 60 ±2 | 85 ±0,8 | 200 + 1,0 | |
110 ±0,8 | 250 ± 1.0 | ||||||
135 ± 1,0 | 300+ 1,5 | ||||||
Материал - сталь 45. Допускается замена на стали других марок с механическими свойствами не ниже, чем у стали 45.





