0 руб
Оформить заказПлоские спиральные пружины применяют в качестве заводных; их обычно заключают в барабан для обеспечения смазки и придания им определенных внешних размеров. В неответственных случаях используют спиральные пружины и без барабанов.
Внутренний конец пружины крепят к заводному валику, наружный - к барабану (рис. 6).
КПД спиральных пружин определяется отношением работы, производимой пружиной при развертывании, к работе, затраченной на ее заводку.
КПД в зависимости от смазки (%):
Касторовое масло с графитом - 70,4
Машинное масло - 68,6
Чистое касторовое масло - 61,2
Без смазки - 60,0
Следует избегать толстых пружин, так как они работают неплавно, что ведет к перенапряжению в материале пружины и ее поломке.
Толщину s пружины выбирают из условия s ≤ r/15, где r - радиус валика, на который наматывается пружина.
Условие s ≤ r/15 учитывает, что наибольшие напряжения изгиба испытывают первые к валику витки пружины.
При расчете пружин рекомендуется придерживаться также соотношения
r = r0/3
где r0 - внутренний радиус барабана.

Рис. 6. Плоская спиральная пружина
Расчет. Принятые обозначения:
г0 - внутренний радиус барабана, мм;
r - радиус валика пружины, мм;
г1 - внешний радиус заведенной пружины, равный внутреннему радиусу спущенной, мм;
s - толщина пружины, мм;
ψ - рабочее число оборотов барабана;
n1 - число витков свободной пружины (вне барабана);
n - число витков спущенной пружины (в барабане);
n2 - число витков заведенной пружины (в барабане);
np - расчетное число витков пружины;
L - длина развернутой пружины, мм;
b - ширина пружины, мм;
Mmax - максимальный момент на валике пружины, Н · мм;
Mmin - минимальный момент на валике пружины, Н · мм;
[σиз] - допускаемое напряжение на изгиб, Н/мм2;
Е - модуль упругости, Н/мм2;
η - КПД в зависимости от смазки.
Формулы для расчета плоской спиральной пружины:

Для пружины с нормальным соотношением r0/r, т.е. r = r0/3, длина пружины
L = πr0(l,745n + 0,67).
nрmах = n2-n1 для заведенной пружины;
npmin = n-n1 для спущенной пружины;
n1 = (0,3...0,372)n2;
n = 0,255·r0/s; n2=0,412·r0/s;
s = 0,157·r0/ψ; s ≤ r/15;
r1=0,745r0; r = r0·1/3.
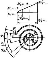
29. Спиральная плоская пружина из заготовки прямоугольного сечения с креплениями на валу и к барабану

1. Модуль упругости Е = ... Н/мм2.
2. Твердость HRC ....
3. Напряжение нормальное при изгибе (максимальное) σиз =... Н/мм2.
4. Длина развернутой пружины L = ... мм.
5. Число витков пружины в свободном состоянии n =....
6. Направление спирали.
7. Остальные технические требования по ... (указывают номер нормативного документа).
* Размеры для справок.
Величинами r0 и ψ обычно задаются по конструктивным соображениям.
Рабочее число оборотов барабана при расчете следует увеличивать на 0,5... 1,5 для покрытия потерь на трение.
Пример расчета. Заводная пружина должна иметь: r0 = 21мм, Mmin = 500Н · мм и ψ = 7оборотов.
Материал: сталь с модулем упругости E = 2,1·105Н/мм2.
Смазка: касторовое масло с графитом.
1. Берем пружину с нормальным соотношением r0/r:
r = r0 · 1/3 = 21/3 =7мм.
2. Толщина пружины
s = 0,157·r0/ψ.
Учитывая трение в начале и конце работы, добавляем один оборот, следовательно,
ψ= 7 + 1 = 8,
тогда
s = 0,157·21/8 = 0,4мм.
Толщина пружины s должна быть меньше, чем r/15, т.е. 0,4 < r/15, в противном случае необходимо изменить исходные данные для расчета.
3. Число витков спущенной пружины в барабане
n = 0,255 · r0/s = 0,255 · 21/0,4 = 13,4.
4. Число витков заведенной пружины в барабане
n2= 0,412 · r0/s = 0,412 · 21/0,4 = 21,6.
30. Спиральная плоская пружина из заготовки прямоугольного сечения с отогнутыми зацепами

Примечание. Требования под изображением пружины такие же, как в табл. 29.
5. Число витков пружины в свободном состоянии (вне барабана) n1 =(0,3-..0,372) n2, принимаем n1 = 0,3 · 21,6 = 6,5витка

КПД η принят равным 0,704 в зависимости от смазки.
Примеры выполнения рабочих чертежей спиральных плоских пружин приведены в табл. 29 и 30.