0 руб
Оформить заказ39. Круглые таблички (по ГОСТ 12970-67)
Размеры, мм
Исполнение I

Исполнение II

Смещение осей отверстий d от номинального расположения не более 0,1мм.
Таблички изготовляют из тонколистовой холоднокатаной стали по ГОСТ 19904-90, тонколистового алюминиевого сплава по ГОСТ 21631-76, декоративного бумажно-слоистого пластика по ГОСТ 9590-76 и других конструкционных материалов.
Параметр шероховатости лицевой поверхности табличек не более Ra = 2мкм по ГОСТ 2789-73.
D (отклонение по h14) | D1 | D2 | s | d (отклонение по Н14) | Число отверстий | Масса 1000 стальных табличек, кг | |
Исполнение I | Исполнение II | ||||||
16 | 10 | - | 0,8 | 2,4 | 2 | 1,21 | - |
20 | 14 | 1,92 | |||||
25 | 18 | 3,03 | |||||
32 | 25 | 5,00 | |||||
40 | 32 | 20 | 4 | 7,79 | 5,82 | ||
50 | 40 | 25 | 12,23 | 9Д5 | |||
63 | 53 | 32 | 0,8 | 2,4 | 4 | 17,65 | 12,60 |
80 | 71 | 40 | 31,46 | 23,57 | |||
100 | 90 | 50 | 0,8 | 3,4 | 49,07 | 36,75 | |
125 | 115 | 63 | 1,0 | 96,00 | 73.82 | ||
160 | 150 | 80 | 1,0 | 157.5 | 118.0 | ||
200 | 190 | 100 | 1.0 | 246,2 | 184.2 | ||
250 | 240 | 125 | 1.5 | 571,3 | 432.9 | ||
Размеры s приведены для табличек из стали. Для табличек из других материалов размеры s устанавливаются по согласованию с заказчиком.
Пример обозначения круглой таблички D = 16мм:
Табличка 16 ГОСТ 12970-67
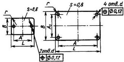
Размеры, мм

ГОСТ 12971-67 предусматривает L = 16 ... 500мм; 5 = 6... 140мм; толщину 1,0 и 1,5мм.
Допускается изготовление табличек без радиуса закругления r.
L (отклонение по h14) | В (отклонение по h14) | А | A1 | r | d (отклонение по Н14) | Число отверстий | Масса 1000 стальных табличек, кг |
25 | 10 | 18 | - | 2,4 | 2,4 | 2 | 1,52 |
12 | 1,84 | ||||||
16 | 2,46 | ||||||
50 | 20 | 40 | - | 2,5 | 2 | 6,23 | |
25 | - | 2,5 | 2 | 7,80 | |||
32 | 22 | 5 | 4 | 9,95 | |||
63 | 20 | 53 | - | 2,5 | 2 | 7,49 | |
25 | - | 2,5 | 2 | 9,37 | |||
32 | 22 | 5 | 4 | 11,96 | |||
40 | 30 | 5 | 4 | 14,98 | |||
50 | 40 | 5 | 4 | 18,75 | |||
80 | 32 | 71 | 22 | 5 | 4 | 15,98 | |
40 | 30 | 20,00 | |||||
50 | 40 | 25,03 | |||||
63 | 53 | 30,05 | |||||
100 | 32 | 90 | 22 | 5 | 3,4 | 4 | 20,00 |
40 | 30 | 25,03 | |||||
50 | 40 | 31,31 | |||||
63 | 53 | 37,59 | |||||
80 | 71 | 50,01 | |||||
125 | 40 | 115 | 30 | 31,31 | |||
50 | 40 | 39,16 | |||||
63 | 53 | 47,01 | |||||
80 | 71 | 62,57 | |||||
160 | 50 | 150 | 40 | 50,5 | |||
63 | 53 | 60,19 | |||||
80 | 71 | 100,25 | |||||
200 | 63 | 190 | 53 | 75,27 | |||
80 | 71 | 100,25 | |||||
100 | 90 | 156,7 | |||||
125 | 115 | 196,0 |
Пример обозначения прямоугольной таблички l = 50мм, В = 20мм:
Табличка 50 × 20 ГОСТ 12971-67.